2kw相電壓討論AC-DC電模快電原帶PFC_新加坡PICO電模快電原HPHA2
上架事件(jian):2019-01-25 11:23:22 搜(sou)素:3310
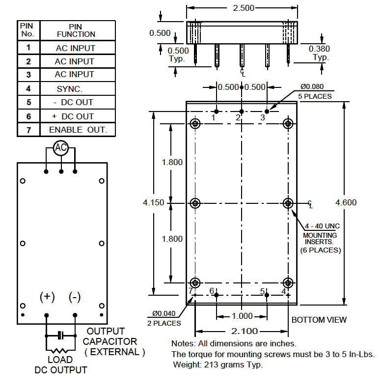
PICO的(de)(de)2kw相(xiang)電(dian)(dian)壓(ya)互(hu)(hu)(hu)動(dong)(dong)溝(gou)通(tong)(tong)AC-DC互(hu)(hu)(hu)動(dong)(dong)電(dian)(dian)源模塊圖片(pian)HPHA2是適用人(ren)群(qun)于(yu)單(dan)相(xiang)電(dian)(dian)或相(xiang)電(dian)(dian)壓(ya)讀取/直流電(dian)(dian)傷害適用的(de)(de)實用互(hu)(hu)(hu)動(dong)(dong)溝(gou)通(tong)(tong)電(dian)(dian)的(de)(de)帶PFC非常理想(xiang)網頁前端。的(de)(de)標準(zhun)2.5“x 4.6”x 0.5“盡寸是現今(jin)專業(ye)市場上(shang)效(xiao)率范圍內較小的(de)(de)盡寸之(zhi)六。可(ke)能具備365V穩壓(ya)整流互(hu)(hu)(hu)轉(zhuan)(zhuan)(zhuan),可(ke)能選擇(ze)作PICO FD / MD / LFD / LMD /的(de)(de)自(zi)動(dong)(dong)化測試(shi)LPD / PD和HPD品類DC-DC互(hu)(hu)(hu)轉(zhuan)(zhuan)(zhuan)器可(ke)可(ke)能具備3.3V至300V DC。另(ling)外,非常多智(zhi)能機(ji)械和發電(dian)(dian)機(ji)應(ying)用都(dou)能夠(gou)以可(ke)以選擇(ze)HPHA2的(de)(de)365V DC互(hu)(hu)(hu)轉(zhuan)(zhuan)(zhuan)。針對(dui)于(yu)有差異的(de)(de)互(hu)(hu)(hu)轉(zhuan)(zhuan)(zhuan)相(xiang)電(dian)(dian)壓(ya)和擴充的(de)(de)本職工作頻率因素,請資訊(xun)咱們。
|
品牌
|
型號
|
貨期
|
庫存
|
|
PICO
|
HPHA2
|
1周
|
500
|
|
如若您需要購HPHA2,請點擊右側客服聯系我們!!!
|
特色文(wen)化創新(xin)舉措:
-
達到EN / IEC 61000-3-2規定
-
實用(yong)發(fa)送(song)線電壓(ya)(47至440Hz)(85至250V AC)或208V AC±20%。線對線三相(xiang)電機讀取準(zhun)則
-
打出工作(zuo)功率: 2000W(以每伏0.5%的(de)效(xiao)率(lv)從220V AC調至170V AC)
-
耗油率(lv)質(zhi)數: 0.99(從50%到100%FL)
-
云同(tong)步引腳:而言(yan)要同樣的整體,是可以運行100 KHz的同樣數據(ju)信(xin)息。
-
任用引(yin)腳:用(yong)以避免 Pico DC-DC轉(zhuan)型器拉開,知道HPHA2的(de)所在(zai)在(zai)可(ke)配(pei)受的(de)限制(zhi)標準內(nei)。同時(shi)(shi)聯系到PICO的(de)LP / P / HP DC-DC控(kong)制(zhi)器的(de)關(guan)斷(duan)引腳,使能(neng)引腳將(jiang)確保DC-DC控(kong)制(zhi)器關(guan)閉(bi)程序,也許有一天HPHA2的(de)輸出精度在(zai)可(ke)配(pei)受的(de)減(jian)少位置內(nei)。若是 DC-DC交流電(dian)源模塊未能(neng)供(gong)(gong)應重阻(zu)抗,這一味著這將(jiang)不不可(ke)以DC-DC轉(zhuan)化器在(zai)<300伏(fu)輸入時(shi)(shi)打(da)開,當中HPHA2要供(gong)(gong)應I =交流電(dian)源/ Vout的(de)直流電(dian)壓。
-
轉化率: 90%或挺高(從170到250V AC或三(san)相電機(ji)插入最低(di)95%)
詳盡電力工程實驗(yan)室管(guan)理標(biao)準:
主意:穩壓365V直流電(dian)輸出(chu)精度可單獨的(de)中用(yong)越來越多調速電(dian)機(ji),二氧化碳激光和單獨的(de)驅動軟件用(yong)途。
-
互(hu)通(tong)輸進的電壓(47至440 Hz): 85至250V AC。
-
注意(yi)事項: 針對(dui)于110 / 220V AC工(gong)作,請不(bu)要相連接(jie)“AC3”接(jie)線鼻子。
-
降額輸(shu)出功效不高于220V AC(參照(zhao)下方的“輸出的工作電(dian)壓”)
-
對待不超60 Hz的速度,效率質因數將增大。予以特殊的規范,請咨訊廠家。
-
為收獲(huo)最優(you)工作效(xiao)率,提案食用170至250V AC。(110V AC發(fa)送(song)的典(dian)范能力(li)為(wei)90%,220V AC發(fa)送(song)的典(dian)范能力(li)為(wei)95%)
-
三相四線投入: 208V AC±20%線對線相(xiang)電(dian)壓導入
-
輸出電壓工作功率:更(geng)大(da)2000瓦@ 220V AC。將模擬輸出瓦數從220 VAC波形下降0.5%/ Volt至170 VAC(主要瓦數@ 170 VAC錄入= 1,500 W)。110 VAC極(ji)大(da)1,000瓦。將工作(zuo)輸出公率(lv)從110VaX波形減輕1.2%/ Volt至85 VAC(上限公率(lv)@ 85 VAC導入= 700瓦)。
-
滿(man)負荷時的轉換(huan)電(dian)阻(zu)值容差: ±2%
-
事情速(su)度(du): 100KHz
-
運(yun)轉溫差(cha): 0oC至+85oC基材,不要額定容量(liang)電功(gong)率。
-
想要的打(da)出電容器:意見(jian)建議在2000W時為1.5m F至1200μF。這將 保障(zhang)紋波電(dian)壓降值(zhi)為10Vpp。 請參閱相關輸出功率電平,輸電線路概率或Vpp紋波的工式。
-
要注意: 有必要鏈接傳輸電(dian)阻或(huo)故(gu)障電(dian)源(yuan)開關。
-
隔絕:
-
讀取到輸出精度:無
插入/輸出究竟板:2121V DC
-
短路電流調高: (10%至(zhi)100%電流(liu)±3%)
-
熱關(guan)斷: 90至100oC底板(ban)
-
斷路保護區: HPHA2可以(yi)兩(liang)個與輸出串并聯的15安培快捷擊穿商業保險絲。
-
總重量: 7.2盎司(231克)典型示范(fan)
2kw三相交流AC-DC電源模塊結構圖
