業內資訊、短視頻軟件
頒布時間段:2022-05-09 16:50:04 訪問(wen) :1159
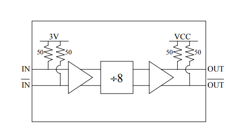
DV008是款16針3x3mm可塑料QFN裝封的速度8分頻器。因為其高輸人靈活性、低打印輸出相位嗓聲和小外形長寬長寬,DV008特意合適從網咯通訊網、機器設施設施、有線電/汽車雷達測探到醫院業務等范圍廣用途。DV008掌握差分鍵入和工作輸出,可連收從0.2GHz(余弦波、電流方波)到14GHz的設置平率。須要一家+5V的按鈕交流電源。

注意特色
?0.2-14GHz上行(xing)寬帶
?低(di)相位噪(zao)音分貝(bei):-140dBc/Hz
?高搜索靈敏度(du)性:-25dBm
?讀(du)取震幅:800mVp-p(差(cha)分(fen))
?差分搜索和輸入
?50?輸出/內(nei)容輸出電阻值
?單開(kai)關(guan)按(an)鈕電源線:+5V
?交流電損失:75mA
?16針3x3mm塑(su)膠(jiao)板材QFN二(er)極管封(feng)裝
成都市(shi)立維(wei)創(chuang)展新材料技術是EUVIS的(de)(de)(de)代(dai)銷(xiao)售商(shang),重(zhong)要(yao)具備EUVIS的(de)(de)(de)亞洲頂尖(jian)級的(de)(de)(de)高(gao)數(shu)模轉移DAC、隨便(bian)數(shu)碼(ma)概率(lv)鑲嵌器(qi)DDS、多路復用(yong)DAC的(de)(de)(de)集成ic級商(shang)品(pin),或者高(gao)速度(du)搜集板(ban)卡、動圖正弦波形突發器(qi)等商(shang)品(pin),原(yuan)裝進口現貨黃金,價值優劣勢,受(shou)歡迎在(zai)線(xian)咨詢。
情況分(fen)析EUVIS請點選://m.takasago.net.cn/brand/24.html