領域新聞
更新準(zhun)確時間:2022-05-12 16:34:31 瀏覽(lan)器:2068
眼下(xia)市(shi)廠上TI的(de)(de)(de)物品(pin)TPS82130、TPS82140、TPS82150匱乏(fa),會造成(cheng)橋梁商報價股權溢(yi)價超出50倍,IC的(de)(de)(de)最初的(de)(de)(de)附加值(zhi)逐(zhu)漸被(bei)歪曲。誠然(ran)TI的(de)(de)(de)物品(pin)茶葉品(pin)質沒法尖酸刻薄,被(bei)歐洲企業客戶認可度,要怎樣改(gai)善這么窘境,臺達Cyntec及(ji)時確立(li)了pin to pin原位帶(dai)替方式。
款型 | 輸出電阻 | 輸入輸出電壓降 | 感應電流 |
TPS82130 | 3~17V | 0.9~6V | 3A |
TPS82140 | 3~17V | 0.9~6V | 2A |
TPS82150 | 3~17V | 0.9~6V | 1A |
TPSM82903 | 3~17V | 0.4~5.5V | 3A |
此小型空氣開關POL24v電源方案,容積小,僅為3.0mm x 2.8mm x 1.5mm,集成為DC-DC處理芯片、電感,較大地抽象化了顧客設計的概念,此外是可以提供數據更優EMI因素。

而Cyntec的原位替代產品 MUN12CAD03-SEC , 以完全不用改動PCB,并且以超低的紋波特性,被廣泛應用于儀表、通信、服務器等領域。
1. 規(gui)格(ge)比(bi)照
形號 | 大小 | 輸入電壓降 | 輸出電流 | 感應電流 | Vfb |
TPS82130 | 2.8*3.0*1.5mm | 4.5~17.0V | 0.9~6.0V | 3A | 0.8V |
MUN12AD03-SEC | 2.8*3.0*1.5mm | 4.5~17.0V | 0.8~5.5V | 3A | 0.6V |
2. 重命名軟(ruan)件指導性:
(1)TPS82130是能夠 內部組織輸出精度功率鉗位控住開機這段時間內的輸出精度輸出精度功率斜率,來以防過大的浪涌電流值并(bing)保障受控(kong)(kong)的(de)(de)輸(shu)出線電(dian)(dian)(dian)(dian)壓(ya)(ya)飆(biao)升精力。當 EN引(yin)腳(jiao)被拉(la)高(gao)(gao)時(shi)(shi),元電(dian)(dian)(dian)(dian)子器(qi)(qi)件(jian)(jian)會在 55μs(典(dian)型案(an)例值(zhi))的(de)(de)遲(chi)緩后開始了電(dian)(dian)(dian)(dian)源開關,或者輸(shu)入線額(e)(e)定(ding)電(dian)(dian)(dian)(dian)壓(ya)(ya)值(zhi)電(dian)(dian)(dian)(dian)流以(yi)由銜接到(dao)(dao) SS/TR 引(yin)腳(jiao)的(de)(de)外部結(jie)構電(dian)(dian)(dian)(dian)阻(zu)功率(lv)器(qi)(qi)保持的(de)(de)斜率(lv)提高(gao)(gao)。用到(dao)(dao)用到(dao)(dao)異常小的(de)(de)電(dian)(dian)(dian)(dian)阻(zu)功率(lv)器(qi)(qi)或使 SS/TR 引(yin)腳(jiao)懸(xuan)在空中,可建立(li)最快的(de)(de)速度(du)的(de)(de)加(jia)載(zai)(zai)準確時(shi)(shi)間(jian)。TPS82130 還可以(yi)加(jia)載(zai)(zai)至(zhi)預偏(pian)置(zhi)輸(shu)入電(dian)(dian)(dian)(dian)阻(zu)功率(lv)器(qi)(qi)。在預偏(pian)置(zhi)加(jia)載(zai)(zai)時(shi)(shi)間(jian),在內(nei)控(kong)(kong)線額(e)(e)定(ding)電(dian)(dian)(dian)(dian)壓(ya)(ya)值(zhi)電(dian)(dian)(dian)(dian)流鉗位將輸(shu)入線額(e)(e)定(ding)電(dian)(dian)(dian)(dian)壓(ya)(ya)值(zhi)電(dian)(dian)(dian)(dian)流設(she)計為要高(gao)(gao)于(yu)預偏(pian)置(zhi)線額(e)(e)定(ding)電(dian)(dian)(dian)(dian)壓(ya)(ya)值(zhi)電(dian)(dian)(dian)(dian)流在之(zhi)前,2個(ge)最大功率(lv) MOSFET 無(wu)發揭開。當元電(dian)(dian)(dian)(dian)子器(qi)(qi)件(jian)(jian)在關斷、欠(qian)壓(ya)(ya)設(she)定(ding)或熱關斷模(mo)式時(shi)(shi),銜接到(dao)(dao) SS/TR 引(yin)腳(jiao)的(de)(de)電(dian)(dian)(dian)(dian)阻(zu)功率(lv)器(qi)(qi)由內(nei)控(kong)(kong)電(dian)(dian)(dian)(dian)阻(zu)功率(lv)器(qi)(qi)自放電(dian)(dian)(dian)(dian)。從這樣模(mo)式加(jia)載(zai)(zai)會導(dao)至(zhi)新的(de)(de)加(jia)載(zai)(zai)回(hui)文(wen)序(xu)列。
因此(ci)MUN12AD03-SEC的(de)(de)SS軟開啟與TPS82130有之間的(de)(de)關系(xi),MUN12AD03-SEC不想(xiang)要在這家(jia)打印輸出端接的(de)(de)L22電感/磁珠,則必須查證上電時序。分(fen)類計算(suan)公式下面的(de)(de):

(2)TPS82130與(yu)MUN12AD03-SEC的運(yun)行(xing)紋波測量(liang)報告以下的

臺達的(de)物料口感,可徹底無法(fa)高需要的(de)電(dian)原需要。
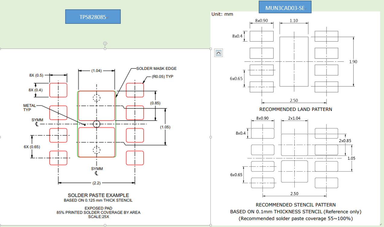
3. 好產品的貼片(pian)程序留(liu)意方式方法:
TI的貨物鋼網面積太小,會造成鋼網過錫量不粗壯。強度太窄,一些前提如參考使用Cyntec的室內溫度Reflow,則會導致錫料增長率太高出來洞。即類試不上錫的狀態下。則最好從TPS82130設置成起來的貼片 ,同樣自(zi)動(dong)更新這種(zhong)SMT鋼網 。
成(cheng)都市(shi)立維創展信息技術授權(quan)書代理商Cyntec新線(xian)路軟件,秉承為(wei)用戶給予高(gao)品行、高(gao)的(de)品質量、售價公平的(de)電源開關功能模塊軟件。軟件原裝機(ji)入口,的(de)品質維持(chi),而(er)且為(wei)中國有(you)地區股票市(shi)場給予技巧幫助,歡迎大(da)家資訊。
商品(pin)詳情要了解Cyntec請點一下://m.takasago.net.cn/brand/16.html