行業中最新資訊
上架時候:2022-05-20 17:10:16 打(da)開網頁:2000
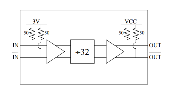
DV032是EUVIS的16針3x3mm塑料(liao)QFN高速封(feng)裝除以32靜態分頻器。由(you)于(yu)輸(shu)入靈敏度(du)高,輸(shu)出相位噪聲低,小規格尺(chi)寸,DV032廣泛應用于(yu)電力、儀(yi)器儀(yi)表、無線(xian)電/雷達(da)等領域。DV032接收0.2GHz(正弦(xian)波(bo)、直流方波(bo))14GHz輸入頻率(lv),需(xu)要一個(ge) 5V的(de)單(dan)電源(yuan)。

基本特殊性
?0.2-14GHz帶寬的(de)配置
?低(di)相位躁(zao)音:-140 dBc/Hz
?高輸出精(jing)準度:-25 dBm
?輸出的幅值:800 mVp-p(差分)
?差動投入和內容輸出
?50? 手機輸(shu)(shu)入/輸(shu)(shu)入輸(shu)(shu)出(chu)電(dian)阻值
?單電源線:+5V
?直流(liu)電需求量:72mA
?16針(zhen)3x3mm塑料制品QFN封裝
成都市立維創(chuang)展信息(xi)技術(shu)是EUVIS的微商代理經售商,重要給出(chu)EUVIS的世界各國尖端的極速數模改變DAC、簡(jian)單(dan)數子聲音(yin)頻率人工器DDS、多路(lu)復用DAC的存儲(chu)芯片級品牌,以(yi)其飛速采(cai)樣板(ban)卡、日常動態波型高壓(ya)發生(sheng)器等(deng)品牌,原裝機期貨,房價特色(se),誠邀咨訊。
詳(xiang)情(qing)頁學習EUVIS請(qing)彈窗://m.takasago.net.cn/brand/24.html