的行業方式
發布的時期(qi):2023-03-06 17:02:08 瀏(liu)覽(lan)訪問:2039
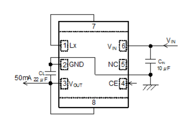
TOREX的XCL210系類是低耗用降血壓微型DC/DC準換器。調整IC和電感線圈數集在一片,完工了小型化,只需在異常器材上的增加兩個人電燒杯器,就能組合成一款不占有環境的開關電源方案。
XCL210款(kuan)型(xing)轉為(wei)器(qi)按(an)照低能(neng)耗IC科技或(huo)是新開(kai)通發的(de)高能(neng)電(dian)阻確保科學規范(fan)化,有(you)助(zhu)于(yu)采用(yong)蓄電(dian)池(chi)的(de)中(zhong)國移動(dong)末端和智力(li)配戴機器(qi)設備的(de)短期推動(dong)。
XCL210系列(lie)產(chan)品(pin)轉變成器任務鍵入電(dian)(dian)(dian)壓電(dian)(dian)(dian)流領域在(zai)(zai)2.0V至(zhi)6.0V范圍內。24v電(dian)(dian)(dian)源端電(dian)(dian)(dian)壓在(zai)(zai)室內設定,在(zai)(zai)1.0V至(zhi)4.0V的(de)區間內,以0.05V的(de)間斷開發。跟(gen)據在(zai)(zai)待(dai)機模式下開始(shi)產(chan)品(pin)開關電(dian)(dian)(dian)源控制電(dian)(dian)(dian)路,電(dian)(dian)(dian)流值(zhi)量耗(hao)用保護在(zai)(zai)0.1μA下面(mian)(標稱值(zhi))高達負(fu)荷量電(dian)(dian)(dian)壓電(dian)(dian)(dian)流能(neng)夠 挑(tiao)選50mA或200mA。
XCL210類型(xing)轉化成器必備條(tiao)件(jian)鑲入UVLO(欠壓更改)功(gong)能(neng)(neng),當進(jin)入的電(dian)(dian)壓多于UVLO監測技術電(dian)(dian)壓電(dian)(dian)流(liu)時(shi),內部管(guan)理(li)P銑面驅動(dong)下載晶胞管(guan)將逼迫關(guan)閉程序作業。XCL210C型(xing)和(he)XCL210D型(xing),確認CL充(chong)(chong)擊穿安全性能(neng)(neng),在(zai)待機時(shi)啟動(dong)VOUT-GND期間內壁電(dian)(dian)源開關(guan),借助(zhu)內熱(re)敏電(dian)(dian)阻充(chong)(chong)自放(fang)電(dian)(dian)CL的正電(dian)(dian)荷。此充(chong)(chong)尖端放(fang)電(dian)(dian)穩定性調用24v電(dian)(dian)源交(jiao)流(liu)電(dian)(dian)壓的VSS技術水(shui)平在(zai)迅速。

本質特征
讀取電(dian)流(liu)規模(mo):2.0V~6.0V
內容輸出工作電壓(ya):1.0V~4.0V(±2.0%)
輸出的電流大小:200mA(TypeA/C),50mA(Type B/D)
消耗脂肪電壓(ya):0.5μA
高效率:93%(VIN=3.6V,VOUT=3.0V/100μA)
剎車的方法:PFM抑制
的環境熱(re)度(du):-40℃~+85℃
TOREX半導體芯片(pian)重要給予COMS、感應器器、場效應管等元器材(cai),軟件以(yi)小重量(liang)、特性領航而著名。
蘇(su)州(zhou)市(shi)立維創展(zhan)科枝有(you)現廠家,資源(yuan)優勢渠道(dao)分銷TOREX電(dian)源(yuan)開關(guan)元器件封(feng)裝,過多(duo)現貨黃金庫存盤點,青睞合(he)伙。
商品詳情頁分析TOREX請點擊事件://m.takasago.net.cn/brand/62.html