餐飲行業方式
上架時(shi):2023-05-19 16:50:59 瀏覽記錄:1596
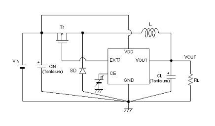
TOREX XC6365系列(lie)是(shi)內嵌高(gao)速度(du)低通(tong)態(tai)電(dian)阻(zu)控(kong)(kong)制器的通(tong)用(yong)型(xing)高(gao)頻(pin)率(lv)(lv)降壓(ya)DC/DC控(kong)(kong)制器集成電(dian)路(lu)。采用(yong)晶體管(guan),電(dian)感線圈,二(er)極管(guan)和電(dian)容器共4種(zhong)外(wai)置器件(jian),可創建(jian)輸(shu)出(chu)電(dian)流為1A以上高(gao)效率(lv)(lv)降壓(ya)DC/DC轉(zhuan)換器。
XC6365產(chan)品操縱器要(yao)能在1.5V~6.0V(精容重±2.5%)的(de)(de)范圍(wei)之中,以(yi)0.1V的(de)(de)距離保(bao)持(chi)放置(zhi)(VOUT型)。有(you)時候,刪去VOUT型囿(you)于,還兼具內置(zhi)1.0V的(de)(de)基(ji)準線的(de)(de)輸出功率(lv)源,能外置(zhi)集成電路芯片不同設有(you)輸入的(de)(de)輸出功率(lv)的(de)(de)規格(ge)尺寸(FB型)。
XC6365系列表操作器因觸點(dian)開關(guan)頻點(dian)高至(zhi)300kHz,應該施用小(xiao)形外置元器件(jian)封裝。如此(ci),在(zai)由(you)小(xiao)負債電(dian)阻至(zhi)大輸入輸出(chu)交流(liu)電(dian)的整體(ti)布局(ju)負債電(dian)阻范圍以內(nei)(nei)以內(nei)(nei),達到高效性率。
XC6365品類(lei)設定器(qi)軟起動時候有,在的內部(bu)放置為10ms的規(gui)格(A,B型(xing)),以及(ji)適用(yong)性外(wai)置電阻器(qi)和濾(lv)波電袋子做出SEO優化的技術(shu)參數(C,D型(xing))。
采用了待機效能,可開始(shi)電腦運行使電流(liu)量耗用可以達(da)到(dao)0.5μA接下(xia)來(CE端"L")。
XC6365一系列操(cao)作(zuo)器嵌(qian)入(ru)式UVLO能(neng),當手機輸入(ru)電(dian)壓值值在任意電(dian)壓值值睡眠狀態時(shi),會硬性性把外置(zhi)多(duo)晶體分液(ye)漏(lou)斗斷。
形態
輸進電阻值超范圍:2.2V~10V
效(xiao)果工作(zuo)電壓范圍之內:1.5V~6.0V(0.1V高度),±2.5%
的工作幾率:300kHz±15%,老客戶私人定(ding)制180,500kHz
讀取(qu)工作電流(liu):1.0A(VIN=5.0V,VOUT=3.0V)
高轉為熱效率:92%(TYP.)
待電氣自動化流:ISTB=0.5μA(MAX.)
TOREX半導(dao)最主(zhu)要的展示COMS、傳控制傳感器(qi)器(qi)、場效應(ying)管(guan)等元(yuan)元(yuan)件,新產(chan)品(pin)以(yi)小比熱容、耐熱性非凡而世界聞(wen)名。
武漢市(shi)立(li)維創(chuang)展科學現有裝修公司(si),優(you)勢包銷TOREX交(jiao)流電源配(pei)件,巨大現貨交(jiao)易(yi)存儲,熱烈歡迎(ying)達成合作(zuo)。
詳細信息熟知 TOREX請鼠標單擊://m.takasago.net.cn/brand/62.html

型號規格 | Type | Output Voltage | Oscillation Frequency | Packages |
XC6365A152ER-G | VOUT type: internally set-up, Soft-start internally set-up | 1.5V | 180kHz | USP-6C |
XC6365A152MR-G | VOUT type: internally set-up, Soft-start internally set-up | 1.5V | 180kHz | SOT-25 |
XC6365A153ER-G | VOUT type: internally set-up, Soft-start internally set-up | 1.5V | 300kHz | USP-6C |
XC6365A153MR-G | VOUT type: internally set-up, Soft-start internally set-up | 1.5V | 300kHz | SOT-25 |
XC6365A155ER-G | VOUT type: internally set-up, Soft-start internally set-up | 1.5V | 500kHz | USP-6C |
XC6365A155MR-G | VOUT type: internally set-up, Soft-start internally set-up | 1.5V | 500kHz | SOT-25 |
XC6365A162ER-G | VOUT type: internally set-up, Soft-start internally set-up | 1.6V | 180kHz | USP-6C |
XC6365A162MR-G | VOUT type: internally set-up, Soft-start internally set-up | 1.6V | 180kHz | SOT-25 |
XC6365A163ER-G | VOUT type: internally set-up, Soft-start internally set-up | 1.6V | 300kHz | USP-6C |
XC6365A163MR-G | VOUT type: internally set-up, Soft-start internally set-up | 1.6V | 300kHz | SOT-25 |
XC6365A165ER-G | VOUT type: internally set-up, Soft-start internally set-up | 1.6V | 500kHz | USP-6C |
XC6365A165MR-G | VOUT type: internally set-up, Soft-start internally set-up | 1.6V | 500kHz | SOT-25 |
XC6365A172ER-G | VOUT type: internally set-up, Soft-start internally set-up | 1.7V | 180kHz | USP-6C |
XC6365A172MR-G | VOUT type: internally set-up, Soft-start internally set-up | 1.7V | 180kHz | SOT-25 |
XC6365A173ER-G | VOUT type: internally set-up, Soft-start internally set-up | 1.7V | 300kHz | USP-6C |
XC6365A173MR-G | VOUT type: internally set-up, Soft-start internally set-up | 1.7V | 300kHz | SOT-25 |
XC6365A175ER-G | VOUT type: internally set-up, Soft-start internally set-up | 1.7V | 500kHz | USP-6C |
XC6365A175MR-G | VOUT type: internally set-up, Soft-start internally set-up | 1.7V | 500kHz | SOT-25 |
XC6365A182ER-G | VOUT type: internally set-up, Soft-start internally set-up | 1.8V | 180kHz | USP-6C |
XC6365A182MR-G | VOUT type: internally set-up, Soft-start internally set-up | 1.8V | 180kHz | SOT-25 |
XC6365A183ER-G | VOUT type: internally set-up, Soft-start internally set-up | 1.8V | 300kHz | USP-6C |
XC6365A183MR-G | VOUT type: internally set-up, Soft-start internally set-up | 1.8V | 300kHz | SOT-25 |
XC6365A185ER-G | VOUT type: internally set-up, Soft-start internally set-up | 1.8V | 500kHz | USP-6C |
XC6365A185MR-G | VOUT type: internally set-up, Soft-start internally set-up | 1.8V | 500kHz | SOT-25 |
XC6365A192ER-G | VOUT type: internally set-up, Soft-start internally set-up | 1.9V | 180kHz | USP-6C |
XC6365A192MR-G | VOUT type: internally set-up, Soft-start internally set-up | 1.9V | 180kHz | SOT-25 |
XC6365A193ER-G | VOUT type: internally set-up, Soft-start internally set-up | 1.9V | 300kHz | USP-6C |
XC6365A193MR-G | VOUT type: internally set-up, Soft-start internally set-up | 1.9V | 300kHz | SOT-25 |
XC6365A195ER-G | VOUT type: internally set-up, Soft-start internally set-up | 1.9V | 500kHz | USP-6C |
XC6365A195MR-G | VOUT type: internally set-up, Soft-start internally set-up | 1.9V | 500kHz | SOT-25 |
XC6365A202ER-G | VOUT type: internally set-up, Soft-start internally set-up | 2.0V | 180kHz | USP-6C |
XC6365A202MR-G | VOUT type: internally set-up, Soft-start internally set-up | 2.0V | 180kHz | SOT-25 |
XC6365A203ER-G | VOUT type: internally set-up, Soft-start internally set-up | 2.0V | 300kHz | USP-6C |
XC6365A203MR-G | VOUT type: internally set-up, Soft-start internally set-up | 2.0V | 300kHz | SOT-25 |
XC6365A205ER-G | VOUT type: internally set-up, Soft-start internally set-up | 2.0V | 500kHz | USP-6C |
XC6365A205MR-G | VOUT type: internally set-up, Soft-start internally set-up | 2.0V | 500kHz | SOT-25 |
XC6365A212ER-G | VOUT type: internally set-up, Soft-start internally set-up | 2.1V | 180kHz | USP-6C |
XC6365A212MR-G | VOUT type: internally set-up, Soft-start internally set-up | 2.1V | 180kHz | SOT-25 |
XC6365A213ER-G | VOUT type: internally set-up, Soft-start internally set-up | 2.1V | 300kHz | USP-6C |
XC6365A213MR-G | VOUT type: internally set-up, Soft-start internally set-up | 2.1V | 300kHz | SOT-25 |
XC6365A215ER-G | VOUT type: internally set-up, Soft-start internally set-up | 2.1V | 500kHz | USP-6C |
XC6365A215MR-G | VOUT type: internally set-up, Soft-start internally set-up | 2.1V | 500kHz | SOT-25 |
XC6365A222ER-G | VOUT type: internally set-up, Soft-start internally set-up | 2.2V | 180kHz | USP-6C |
XC6365A222MR-G | VOUT type: internally set-up, Soft-start internally set-up | 2.2V | 180kHz | SOT-25 |
XC6365A223ER-G | VOUT type: internally set-up, Soft-start internally set-up | 2.2V | 300kHz | USP-6C |
XC6365A223MR-G | VOUT type: internally set-up, Soft-start internally set-up | 2.2V | 300kHz | SOT-25 |
XC6365A225ER-G | VOUT type: internally set-up, Soft-start internally set-up | 2.2V | 500kHz | USP-6C |
XC6365A225MR-G | VOUT type: internally set-up, Soft-start internally set-up | 2.2V | 500kHz | SOT-25 |
XC6365A232ER-G | VOUT type: internally set-up, Soft-start internally set-up | 2.3V | 180kHz | USP-6C |
XC6365A232MR-G | VOUT type: internally set-up, Soft-start internally set-up | 2.3V | 180kHz | SOT-25 |