企業手游資訊
發部(bu)事件:2023-06-02 16:54:17 手機瀏覽:1569
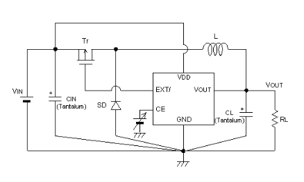
TOREX XC6366系(xi)列內嵌高(gao)速低通態(tai)電阻驅動器(qi)(qi)的(de)通用型高(gao)頻率降壓DC/DC控制(zhi)器(qi)(qi)集成(cheng)電路(lu)。應(ying)用晶體管,電感線圈,二極(ji)管和電容(rong)器(qi)(qi)共4種(zhong)外(wai)接器(qi)(qi)件,可搭建輸出電流為1A之上(shang)高(gao)效化降壓DC/DC轉換器(qi)(qi)。
XC6366系類(lei)穩(wen)壓(ya)DC/DC把控(kong)器(qi)也可(ke)(ke)以(yi)在(zai)1.5V~6.0V(精密度單位±2.5%)面積內得(de),以(yi)0.1V的(de)行間距(ju)保證 安(an)裝(VOUT型(xing))。然而,剔除VOUT型(xing)之下,還有著內嵌式(shi)1.0V的(de)基(ji)準點端(duan)直流電壓(ya)源,才可(ke)(ke)以(yi)外接電子(zi)器(qi)件任意設(she)置打出端(duan)直流電壓(ya)的(de)款式(shi)尺寸(FB型(xing))。
因(yin)控制開關(guan)幀率高至300kHz,能夠操作小規模(mo)型外(wai)接(jie)器材。XC6366系(xi)(xi)列作品穩壓DC/DC調控器在小負債時,PWM/PFM切換(huan)桌面掌(zhang)控型XC6366系(xi)(xi)類以(yi)PFM安全作業模(mo)式實行事業。因(yin),在自卑短路(lu)直(zhi)流電(dian)到大導出直(zhi)流電(dian)的綜合短路(lu)直(zhi)流電(dian)的范圍(wei)當中,推動優質化(hua)。
XC6366國產(chan)減(jian)壓DC/DC的(de)控(kong)制板軟通電時光段有(you),在系統(tong)裝置為10ms的(de)型號查詢規模(mo)(A,B型),還有(you)其適用人群外接電阻功率(lv)和(he)電容(電罐體)器開展調整的(de)的(de)款型規格型號(C,D型)。
XC6366系類降血壓DC/DC有效智能控制器軟件應用(yong)待(dai)機耐腐蝕性,可結束(shu)作業使電流值量損耗(hao)率進行0.5μA以(yi)下的(CE端"L")。
XC6366系(xi)列(lie)的(de)減壓DC/DC控住器鑲入(ru)UVLO能力,當復制(zhi)(zhi)粘貼工(gong)(gong)作(zuo)電(dian)流在普通(tong) 工(gong)(gong)作(zuo)電(dian)流工(gong)(gong)作(zuo)電(dian)流下述時,會強制(zhi)(zhi)性(xing)的(de)把外接單(dan)晶體管切段。
性能指標
錄入電壓電流(liu)位置:2.2V~10V
打印輸出交流(liu)電壓超(chao)范圍:1.5V~6.0V(0.1V行距),±2.5%
工作的率:300kHz±15%,的客戶個性(xing)180,500kHz
導出直流電:1.0A(VIN=5.0V,VOUT=3.0V)
高換算生產率:92%(TYP.)
待美女(nv)一(yi)区(qu)(qu)二(er)区(qu)(qu)三(san)区(qu)(qu)-一(yi)区(qu)(qu)二(er)区(qu)(qu)亚洲-亚洲国产一(yi)区(qu)(qu)二(er)区(qu)(qu)三(san)区(qu)(qu)-亚洲一(yi)区(qu)(qu)在(zai)线播(bo)放(fang)流:ISTB=0.5μA(MAX.)
TOREX半導體(ti)器(qi)件具(ju)體(ti)可以提供COMS、感(gan)應器(qi)器(qi)、肖特基二極管等(deng)元(yuan)電子元(yuan)件,車輛(liang)以小面積、性能參數專業技(ji)能而(er)最(zui)有名的。
長沙市立維創展科(ke)技產業(ye)有限(xian)制大(da)公司,長處電商分銷TOREX主機電源配(pei)(pei)件(jian),不(bu)少外盤庫存積壓,追捧配(pei)(pei)合。
商品詳情頁了解一下TOREX請彈框://m.takasago.net.cn/brand/62.html

型號查(cha)詢(xun) | Type | Output Voltage | Oscillation Frequency | Packages |
XC6366A152ER-G | VOUT type: internally set-up, Soft-start internally set-up | 1.5V | 180kHz | USP-6C |
XC6366A152MR-G | VOUT type: internally set-up, Soft-start internally set-up | 1.5V | 180kHz | SOT-25 |
XC6366A153ER-G | VOUT type: internally set-up, Soft-start internally set-up | 1.5V | 300kHz | USP-6C |
XC6366A153MR-G | VOUT type: internally set-up, Soft-start internally set-up | 1.5V | 300kHz | SOT-25 |
XC6366A155ER-G | VOUT type: internally set-up, Soft-start internally set-up | 1.5V | 500kHz | USP-6C |
XC6366A155MR-G | VOUT type: internally set-up, Soft-start internally set-up | 1.5V | 500kHz | SOT-25 |
XC6366A162ER-G | VOUT type: internally set-up, Soft-start internally set-up | 1.6V | 180kHz | USP-6C |
XC6366A162MR-G | VOUT type: internally set-up, Soft-start internally set-up | 1.6V | 180kHz | SOT-25 |
XC6366A163ER-G | VOUT type: internally set-up, Soft-start internally set-up | 1.6V | 300kHz | USP-6C |
XC6366A163MR-G | VOUT type: internally set-up, Soft-start internally set-up | 1.6V | 300kHz | SOT-25 |
XC6366A165ER-G | VOUT type: internally set-up, Soft-start internally set-up | 1.6V | 500kHz | USP-6C |
XC6366A165MR-G | VOUT type: internally set-up, Soft-start internally set-up | 1.6V | 500kHz | SOT-25 |
XC6366A172ER-G | VOUT type: internally set-up, Soft-start internally set-up | 1.7V | 180kHz | USP-6C |
XC6366A172MR-G | VOUT type: internally set-up, Soft-start internally set-up | 1.7V | 180kHz | SOT-25 |
XC6366A173ER-G | VOUT type: internally set-up, Soft-start internally set-up | 1.7V | 300kHz | USP-6C |
XC6366A173MR-G | VOUT type: internally set-up, Soft-start internally set-up | 1.7V | 300kHz | SOT-25 |
XC6366A175ER-G | VOUT type: internally set-up, Soft-start internally set-up | 1.7V | 500kHz | USP-6C |
XC6366A175MR-G | VOUT type: internally set-up, Soft-start internally set-up | 1.7V | 500kHz | SOT-25 |
XC6366A182ER-G | VOUT type: internally set-up, Soft-start internally set-up | 1.8V | 180kHz | USP-6C |
XC6366A182MR-G | VOUT type: internally set-up, Soft-start internally set-up | 1.8V | 180kHz | SOT-25 |
XC6366A183ER-G | VOUT type: internally set-up, Soft-start internally set-up | 1.8V | 300kHz | USP-6C |
XC6366A183MR-G | VOUT type: internally set-up, Soft-start internally set-up | 1.8V | 300kHz | SOT-25 |
XC6366A185ER-G | VOUT type: internally set-up, Soft-start internally set-up | 1.8V | 500kHz | USP-6C |
XC6366A185MR-G | VOUT type: internally set-up, Soft-start internally set-up | 1.8V | 500kHz | SOT-25 |
XC6366A192ER-G | VOUT type: internally set-up, Soft-start internally set-up | 1.9V | 180kHz | USP-6C |