市場咨訊
分享(xiang)的(de)時間(jian):2023-07-20 17:01:44 預覽:1530
SILERGY(矽力杰)SQ76001RCC是款3MHz、1.2A關聯降血壓電壓穩壓器,SQ76001RCC在另一個中小學型裝封(2.5mm×2.0mm,H=1.1mm)中集合式化馬力電感和集合式心片。SQ76001RCC高化,3MHz,1.2A嵌到功效電感同時進行降血壓電壓穩壓器。

共同點
內部人員(yuan)把握啟閉(上邊/低部)低RDS(ON):230mΩ/150mΩ
集(ji)成(cheng)化化電(dian)感以極限裝量大大減少表面元器(qi)件封裝和PCB大體的設計(ji)
2.5~5.5V電(dian)流電(dian)壓時間范圍
1.2A連續式性傷害電(dian)壓電(dian)流安全性能
3MHz高(gao)本職工作平率最高(gao)底限較(jiao)低了 外(wai)部控制(zhi)模塊(kuai)
內軟重啟操(cao)作浪涌電壓電流
100%Dropout便用
夠滿足(zu)RoHS標(biao)準且(qie)無鹵(lu)化
輸送全自(zi)動化(hua)充蓄電池放(fang)電技(ji)能
緊促型打包封裝:QFN2.5×2-8
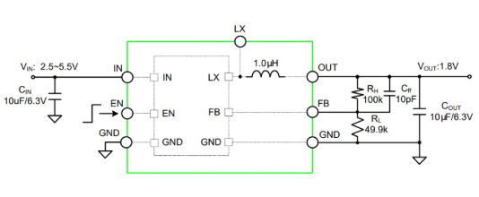
SILERGY(矽力杰)具體研發交流電原單片機芯片、交流電原摸塊等養成元器件封裝。考慮到SQ76001RCC市場價高,交貨時間長,市場推介pin to pin原位代用SQ76001RCC,重復使用規格型號為(wei):MUN3CAD01-SB,MUN3CAD01-SB高效率DC/DC電壓模塊電源。在2.5V和5.5V讀取(qu)的電壓區域(yu)內(nei)的負載電阻電流大小(xiao)高至1.2A時制造+1.8V傳(chuan)輸工(gong)作電壓。MUN3CAD01-SB旋鈕(niu)聲音頻率為3.0MHz,利用所提拱的模塊圖片可保持高至90%的效應。現貨交(jiao)易競爭優勢價額,迎(ying)接資詢。
淘寶手機端了解一下MUN3CAD01-SB請點擊率://m.takasago.net.cn/article/2669.html