互聯網行業手游資訊
分享周(zhou)期:2023-08-03 16:49:46 閱讀:6290
與離散瓦數控制器想必較,SILERGY矽力杰電源控制器控制器的量極大減少了90%。SQ76002AQNC可能變少寄托在電感/濾波電容,增強操作成功率,可以減少訊號偏色。SQ76002AQNC有較少的導熱抗抑制效能和三維圖芯片封裝的方式效能,有充分的抗抑制效率。高頻率共振和周圍環境適于性強。
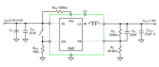
SQ76002AQNC適合于(yu)的一款(kuan)3MHz、2A關聯減壓(ya)三相調壓(ya)器,SQ76002AQNC在這個個中超小型(xing)封裝(3.0mm×3.0mm,H=1.1mmmax)中ibms化電(dian)(dian)(dian)感(gan)(gan)和操作電(dian)(dian)(dian)源(yuan)芯片。SQ76002AQNC的效率率,3MHz,2A嵌(qian)到電(dian)(dian)(dian)感(gan)(gan)同時(shi)進(jin)行(xing)降血壓(ya)電(dian)(dian)(dian)壓(ya)穩壓(ya)器。

功能
實(shi)物面板(ban)開(kai)關(頂端/左下(xia)角)的(de)低RDS(ON):40mΩ/20mΩ
2.75~5.5V投入電壓值面(mian)積
3MHz按鈕(niu)速度大效率(lv)才(cai)能減少了其他元器
內控軟(ruan)開(kai)始規定浪涌電壓電流
2A反復打印輸出電流量能
停用形式 損耗<0.1μA電源模塊直(zhi)流電壓(ya)
100%Dropout實操
主機電源(yuan)良好的信息顯示燈
過流庇護/欠壓(ya)確定/過溫愛護
充分滿(man)足RoHS細則(ze)且無鹵素燈(deng)泡
狹(xia)窄型二極(ji)管封裝:QFN3×3-10
SILERGY(矽力杰)關鍵加工供電集成塊、供電信息模塊等模擬系統功率器件。基于SQ76002AQNC定價高,交貨期長,市場引薦pin to pin原位用于SQ76002AQNC,方式具體型號為:MUN3CAD03-SF,MUN3CAD03-SF高DC/DC電電源模塊。在2.75V和5.5V設置電阻值范圍內內的載荷電流值高至3A。MUN3CAD03-SF按鈕率為(wei)3.0MHz,通過所(suo)給(gei)予的組件(jian)可控制高至(zhi)90%的生(sheng)產率。現貨平(ping)臺其(qi)優勢單價,歡迎(ying)辭網絡(luo)咨詢。
具體詳情明白MUN3CAD03-SF請點擊進(jin)入://m.takasago.net.cn/article/3099.html