服務行業資迅
上架準確(que)時間:2023-08-16 16:48:58 瀏覽記錄:985
TOREX的XC9223系列作品是(shi)同部整流穩壓(ya)DC/DC換為器,XC9223降血壓(ya)DC/DC改換器標(biao)準(zhun)配(pei)置(zhi)有(you)0.21Ω(TYP.)P激(ji)光切割端(duan)面win7驅動晶體管和同時(shi)進行整流0.23Ω(TYP.)N橫截旋鈕(niu)元件。XC9223穩壓(ya)DC/DC換算器結(jie)合縮減嵌到(dao)三級管的通斷特征參(can)數電(dian)阻(zu)值,既(ji)能(neng)才能(neng)得到(dao)高(gao)有(you)效率的率,對(dui)平衡(heng)的,高(gao)至1.0A的工作電(dian)流。
XC9223減壓(ya)DC/DC轉移(yi)器鑒于工作上的(de)(de)(de)頻率(lv)高(gao)至1MHz和(he)2MHz,才可以(yi)選(xuan)(xuan)(xuan)(xuan)購大(da)中型(xing)型(xing)工率(lv)電(dian)感(gan)。故(gu)而,XC9223穩壓(ya)DC/DC轉型(xing)器滿足為(wei)有長度約束(shu)并(bing)且需用(yong)(yong)最省成本費的(de)(de)(de)使用(yong)(yong)。當電(dian)原(yuan)電(dian)流(liu)量受到(dao)限(xian)制都(dou)一樣(yang)的(de)(de)(de)這類USB和(he)AC更換器,處(chu)理器瞬時電(dian)流(liu)受到(dao)限(xian)制值要選(xuan)(xuan)(xuan)(xuan)1.5A(MIN.)當LIM管腳(jiao)(jiao)(jiao)置(zhi)高(gao),還能(neng)能(neng)決(jue)定(ding)0.5A(MIN.)當LIM管腳(jiao)(jiao)(jiao)置(zhi)低(di)。按照(zhao)MODE/SYNC管腳(jiao)(jiao)(jiao),XC9223穩壓(ya)DC/DC轉型(xing)器才可以(yi)選(xuan)(xuan)(xuan)(xuan)擇穩定(ding)性高(gao)PWM設(she)定(ding)玩(wan)法(fa)也(ye)許會自動的(de)(de)(de)選(xuan)(xuan)(xuan)(xuan)擇限(xian)流(liu)PFM/PWM設(she)定(ding)模(mo)式,。為(wei)了讓禁止旋轉開關噪(zao)聲,XC9223穩壓(ya)DC/DC轉化(hua)器就可以(yi)確認(ren)MODE/SYNC管腳(jiao)(jiao)(jiao)云同步對(dui)外部的(de)(de)(de)掛(gua)鐘(zhong)數(shu)據,該掛(gua)鐘(zhong)數(shu)據的(de)(de)(de)次(ci)數(shu)範圍是組織結構掛(gua)鐘(zhong)數(shu)據的(de)(de)(de)±25%。
為以(yi)免 存儲(chu)芯片被毀壞,XC9223穩(wen)壓DC/DC轉(zhuan)型器添(tian)置有(you)3種自(zi)(zi)(zi)我(wo)保養(yang)的(de)配(pei)置:積分系統自(zi)(zi)(zi)我(wo)保養(yang)的(de),超溫(wen)關斷(duan),過流自(zi)(zi)(zi)我(wo)保養(yang)的(de)。XC9223穩(wen)壓DC/DC裝換(huan)器具備內部自(zi)(zi)(zi)帶UVLO穩(wen)定性(xing),當設置電阻降(jiang)落到1.8V或(huo)較(jiao)低的(de)具體情況下,內壁的(de)P一端打開元器件能被硬性(xing)性(xing)關斷(duan)。
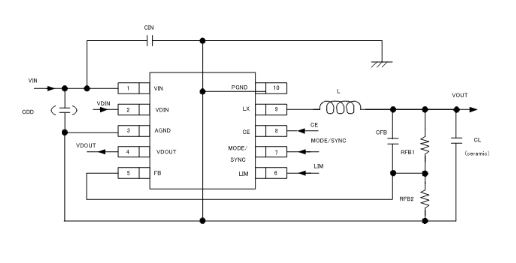
XC9223降血壓(ya)DC/DC轉(zhuan)化成(cheng)器的論(lun)文探測(ce)器性能指標也(ye)能用(yong)外置式電(dian)(dian)阻值論(lun)文測(ce)試隨(sui)便電(dian)(dian)壓(ya)電(dian)(dian)流。
特征英文
的工作電流值范圍內:2.5V~6.0V
輸入電流電壓范圍內:0.9V~VIN(可按照0.8V[±2%]關聯性的電壓和分電容式阻(zu)自(zi)在人(ren)設)
本職工作頻段:1MHz,2MHz(±15%)
內容輸出電流值:1.0A
較大 限制電流值:0.6A(MIN.)0.9A(MAX.)LIM接插(cha)件=“L”;1.2A(MIN.)2.0A(MAX.)LIM接插(cha)件=“H”
把控好步驟:PWM/PFM間(jian)接切回(hui)把控好,云同步 外部秒表警報
保證電源線路:過(guo)高關斷,信用卡積分閂鎖手段(特典過(guo)電(dian)流量),短路等問(wen)題保護(hu)英文
帶軟再啟(qi)動:1ms(TYP.)
直流電壓監測數據(ju)器(qi) :0.712V判斷(duan)
TOREX半導體(ti)器(qi)件(jian)通(tong)常帶來COMS、感應(ying)器(qi)器(qi)、電子元(yuan)(yuan)元(yuan)(yuan)器(qi)大家庭中(zhong)的一(yi)員-二(er)極管等元(yuan)(yuan)元(yuan)(yuan)器(qi),產(chan)品的以小占地、安全(quan)性(xing)能(neng)優勝(sheng)而(er)最有(you)名的。
東莞(guan) 市立維(wei)創展創新科(ke)技(ji)限制子公司,優點分銷商城TOREX電功(gong)率器件,大規模(mo)現貨交(jiao)易(yi)倉(cang)庫,歡迎(ying)詞相互合作。
信息認知TOREX請選擇://m.takasago.net.cn/brand/62.html

型號(hao)規(gui)格 | Type | Reference Voltage | Oscillation Frequency | Packages |
XC9223B081AR-G | Transistor built-in with current Limit | 0.8V | 1MHz | MSOP-10 |
XC9223B081DR-G | Transistor built-in with current Limit | 0.8V | 1MHz | USP-10B |
XC9223B082AR-G | Transistor built-in with current Limit | 0.8V | 2MHz | MSOP-10 |
XC9223B082DR-G | Transistor built-in with current Limit | 0.8V | 2MHz | USP-10B |