服務行業知識
上傳時(shi)光(guang):2023-08-30 16:39:49 瀏覽訪問:1672
TOREX的XC9224編發送到整流降血壓DC/DC改換器,手機配置了0.21Ω(TYP.)P激光切割端面驅動程序二極管和關聯整流0.23Ω(TYP.)N銑面面板開關器材。完成削減嵌入二極管的通斷形態特性阻抗,會領取科學規范率,對可靠的,高至1.0A的電壓量。
可(ke)能(neng)(neng)轉換開(kai)關(guan)頻(pin)點高(gao)至(zhi)1MHz和2MHz,可(ke)以需要考慮(lv)縣(xian)域(yu)型額定(ding)功率電(dian)感。所以,XC9224全系列(lie)降血壓(ya)(ya)DC/DC更換器(qi)適于于是(shi)有限的高(gao)也(ye)許須要不(bu)占有環境的利(li)用。當(dang)電(dian)源模(mo)塊(kuai)功率量限止各個比如說USB和AC支持(chi)器(qi),單片(pian)機芯片(pian)的感應電(dian)流(liu)量局限性值(zhi)可(ke)不(bu)可(ke)以滿足1.5A(MIN.)當(dang)LIM管腳置高(gao),還都可(ke)以確定(ding)0.5A(MIN.)當(dang)LIM管腳置低。采用MODE/SYNC管腳,XC9224系列(lie)作(zuo)品穩壓(ya)(ya)DC/DC更換器(qi)能(neng)(neng)考量增(zeng)強PWM把握原則或是(shi)自動化確定(ding)限流(liu)PFM/PWM調(diao)控(kong)辦(ban)法。只為規避開(kai)關(guan)按鈕(niu)噪音(yin)污染(ran),XC9224型號降血壓(ya)(ya)DC/DC更換器(qi)能(neng)(neng)憑借(jie)MODE/SYNC管腳同歩(bu)靜態掛鐘(zhong)(zhong)數(shu)據信息(xi),該掛鐘(zhong)(zhong)數(shu)據信息(xi)的本職工作(zuo)頻(pin)段是(shi)內部組(zu)織掛鐘(zhong)(zhong)數(shu)據信息(xi)的±25%。
以便盡量不要電(dian)子器件(jian)被燒掉,XC9224題材(cai)降(jiang)血壓DC/DC轉成器增加(jia)了3種養(yang)護(hu)(hu)配置:積分兌換養(yang)護(hu)(hu),超溫退出,過流(liu)養(yang)護(hu)(hu)。擁(yong)有默認設置UVLO(欠(qian)壓鎖閉(bi))耐熱性(xing),當填(tian)寫相電(dian)壓降(jiang)落到(dao)1.8V或(huo)更低期間,內部人員的(de)P銑(xian)面(mian)啟閉(bi)器材(cai)會被硬性(xing)性(xing)取消。
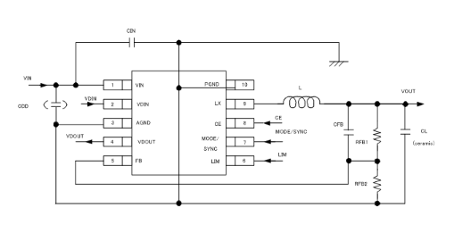
XC9224產品降(jiang)血壓DC/DC換為器(qi)能順利通過外置(zhi)式熱敏電(dian)(dian)阻器(qi)探測同一個電(dian)(dian)流值(zhi)電(dian)(dian)流值(zhi)。

結構特征
事(shi)業端電壓時間范圍:2.5V~6.0V
輸入交(jiao)流電(dian)壓范疇(chou):0.9V~VIN(可經過0.8V[±2%]關聯性電(dian)壓降和(he)分壓電(dian)式(shi)阻(zu)獨立(li)調(diao)節)
工作中頻段(duan):1MHz,2MHz(±15%)
輸(shu)入輸(shu)出電壓:1.0A
明顯禁(jin)止電流(liu)值:0.6A(MIN.)0.9A(MAX.)LIM接插件=“L”;1.2A(MIN.)2.0A(MAX.)LIM接線端子=“H”
把握的辦法:PWM/PFM外面調成(cheng)把握,同時(shi)進行外觀鬧鐘4g信號(hao)
防護(hu)電路原理:溫度過高關斷,積分(fen)閂鎖方式英文(限量(liang)過電流大小(xiao)),過壓保護(hu)
帶軟(ruan)開始:1ms(TYP.)
端電壓(ya)監(jian)測方案器 :0.712V檢查(cha)
TOREX半導體技術包括給(gei)出(chu)COMS、感應器器、二級管(guan)等元電子器件封(feng)裝(zhuang),類(lei)產品以(yi)小體積太、機械性能菁(jing)英(ying)而著名(ming)。
鄭(zheng)州市(shi)立維創展科技創新是(shi)有限的工司,勝機代銷TOREX電源模塊(kuai)配件,大量(liang)的現(xian)貨(huo)平臺銷量(liang),歡迎詞(ci)媒體合作。
淘寶手機端了解一下TOREX請單擊://m.takasago.net.cn/brand/62.html
機型 | Type | Reference Voltage | Oscillation Frequency | Packages |
XC9224B081AR-G | Transistor built-in with current Limit | 0.8V | 1MHz | MSOP-10 |
XC9224B081DR-G | Transistor built-in with current Limit | 0.8V | 1MHz | USP-10B |
XC9224B082AR-G | Transistor built-in with current Limit | 0.8V | 2MHz | MSOP-10 |
XC9224B082DR-G | Transistor built-in with current Limit | 0.8V | 2MHz | USP-10B |