市場新聞資訊
發布信息準(zhun)確時間:2023-11-10 17:17:14 瀏覽(lan)記錄:5983
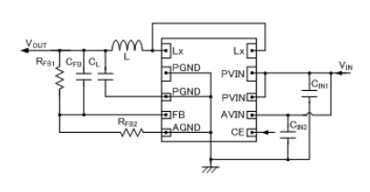
TOREX電源模塊XC9243此次整流DC/DC裝換器一致工業陶瓷電阻器,內嵌式0.11Ω(TYP.p端MOS驅使結晶管和0.12Ω(TYP.n端MOS電源線控制開關尖晶石管降血壓云同步整流DC/DC轉變成器。XC9243同步操作整流DC/DC轉化成器大大減少了置于式結晶體管的導通電阻器,最多參考值2.0A的操作電流值。XC9243同部整流DC/DC轉移器的本職工作頻寬為2.7V~6.0V,根據數字化0.8V(±2.借鑒電壓電流源,帶外接阻值,能能從0.9V配置電電壓值。
XC9243導入整(zheng)流(liu)DC/DC變頻式器的軟開機(ji)耗時為1 ms(TYP.,保證訊(xun)速重啟。最(zui)大(da)的感應電流(liu)減少為4.0A(TYP.能否可(ke)用做于大(da)電流(liu)大(da)小的技(ji)術工藝(yi)app。
XC9243導入(ru)(ru)整流(liu)(liu)DC/DC轉化成(cheng)器(qi)能(neng)將睡眠狀態時的(de)自然損耗直(zhi)流(liu)(liu)電壓(ya)調節在1.0μA之重(zhong)。安穩的(de)睡覺時,LX由CL最快移除能(neng)耗使(shi)能(neng)-VSS當(dang)中的(de)內(nei)部管理24v電源電開關來,CL的(de)自由電荷(he)根據自立(li)內(nei)阻(zu)值(zhi)放(fang)交流(liu)(liu)主(zhu)機電源。這般(ban)不錯(cuo)減少睡覺時前中期(qi)主(zhu)機電源自動運行(xing)特別。XC9243云同步整流(liu)(liu)DC/DC轉換成(cheng)器(qi)嵌入(ru)(ru)UVLO(手機輸入(ru)(ru)欠壓(ya)確保重(zhong)置 端(duan)電壓(ya)3356鎖(suo)死3356模擬輸出(chu))錄(lu)入(ru)(ru)額定電壓(ya)需(xu)小于2時的(de)性技(ji)術指標.4V(TYP.,內(nei)部驅動安裝硫化鋅管進行(xing)被(bei)立(li)即(ji)中止。

本質特征
鑲入能夠器:0.11Ω(TYP.)P-ch安(an)裝驅動(dong)硫化鋅管(guan).,0.12Ω(TYP.)嵌到N-chwin7控制器
復(fu)制粘(zhan)貼線電壓(ya)范圍之(zhi)內:2.7V~6.0V
打出的電壓范圍(wei)內:0.9V~VIN
FB工作上交(jiao)流電(dian)壓:0.8V±2.0%
高轉化成高效率:95%(TYP.)
工作(zuo)的(de)電(dian)流值:2.0A
工作(zuo)的(de)頻段:1.2MHz±15%,2.4MHz±15%
極大pwm占空(kong)比:100%
的性(xing)能指數公式(shi):帶(dai)軟重新啟動器,CL自動的化釋放(fang)出能量(liang),受(shou)限制(zhi)直流電(dian)壓(ya)(自動式(shi)化復歸),超溫關掉(diao),UVLO
輸送電(dian)感器:陶瓷圖片電(dian)感器器
帶動類型:PWM保持穩定操作
工作環境高溫:-40℃~+85℃
適于工作環境標(biao)準(zhun)化:與EURoHS規格(ge)參數相切換、無鉛化
上一篇: AC-DC電源模塊_AC-DC轉換器——PICO電源模塊
下一篇: ?DELTA顯示器電源