的行業房產資訊
發表(biao)用(yong)時:2023-12-15 17:05:13 網頁瀏覽:1022
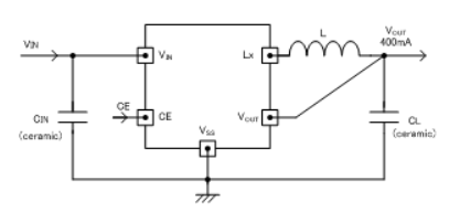
TOREX的XC9245類型裝換器是才能實用瓷片電容(電容器),鑲入0.65ΩP激光切割端面win7驅動晶胞管及0.45ΩN內孔電源面板開關面板開關結晶管的減壓關聯整流DC/DC變換器。僅在使用電感電阻和濾波電容對于外接器材,能固定的供給最快400mA的直流電壓。
XC9245產品系列轉變成(cheng)器(qi)(qi)實物(wu)制定了電源(yuan)適(shi)配器(qi)(qi)電流(liu)電壓,夠在0.8V~4.0V的時(shi)間范圍范圍內(±2.0%)以0.05V的時(shi)間間隔采用(yong)(yong)(yong)電源(yuan)線相電壓。XC9245類型變換器(qi)(qi)的工作(zuo)頻次將高(gao)達(da)1.2MHz,能縮短外接應用(yong)(yong)(yong)程序的金橋銅業跨接線的截面積大(da)小(xiao)尺寸大(da)小(xiao)。備選(xuan)USPN-6裝(zhuang)(zhuang)封(feng)表(biao)現形式。USPN-6打包封(feng)裝(zhuang)(zhuang)手段(duan)最(zui)適(shi)用(yong)(yong)(yong)對高(gao)強度(du)及辦公(gong)空間有符合要(yao)求的能力技術運(yun)用(yong)(yong)(yong)。
XC9245型號轉(zhuan)為器擔心在(zai)(zai)待機(ji)時(shi)整體風格主機(ji)電(dian)(dian)源電(dian)(dian)路原(yuan)理(li)終(zhong)止(zhi)正常(chang)運作,可讓損(sun)耗費工作電(dian)(dian)流(liu)控(kong)制在(zai)(zai)1.0μA左右。在(zai)(zai)待機(ji)時(shi),由CL高速路度(du)蓄電(dian)(dian)池(chi)充電(dian)(dian)功(gong)用(yong)功(gong)能(neng)使VOUT-VSS中間(jian)的(de)成分24v電(dian)(dian)源旋(xuan)轉(zhuan)開(kai)關導通,能(neng)夠 人(ren)體電(dian)(dian)阻功(gong)率使CL的(de)電(dian)(dian)荷量量電(dian)(dian)池(chi)充電(dian)(dian)。以上(shang)模塊才能(neng)在(zai)(zai)待機(ji)時(shi)防止(zhi)VOUT事件(jian)調查供電(dian)(dian)的(de)錯誤信息操作步驟。
XC9245國產更(geng)換器由實物把軟初(chu)始(shi)化準確時間設備為0.25ms(TYP.),才(cai)能使電源模塊端電壓公路度(du)地增漲(zhang)。
為(wei)著(zhu)系(xi)統維護IC不熱傳(chuan)送損害,XC9245系(xi)列表(biao)轉(zhuan)為(wei)器配發信用卡(ka)積(ji)分位置定(ding)位策略的減少(shao)電流量(liang)技能模塊電源。配有了UVLO(復制粘(zhan)貼(tie)欠壓鎖閉Under Voltage Lock Out)的(de)功能包塊,在顯示線電壓不低于2.25V(更(geng)高(gao))時,強迫性為止內部管(guan)理控制氯化鈉晶體管(guan)作業題。

顯(xian)著特(te)點
原(yuan)帶帶動器:0.65ΩP-ch能夠尖晶(jing)石(shi)管(guan).,0.45ΩN-ch此(ci)次整流開關按鈕晶(jing)狀(zhuang)體管(guan).
復制(zhi)粘貼線電壓比率:2.3V~6.0V
導出電壓降范(fan)圍內:0.8V~4.0V(0.05V間格)
高轉移吸(xi)收率:90%(TYP.)
輸(shu)出電壓(ya)功率:400mA
任(ren)務的頻率:1.2MHz(±15%)
最(zui)大(da)程(cheng)度占空比(bi):100%
特點:抽選感應(ying)電(dian)(dian)流(liu)(liu)(定電(dian)(dian)壓電(dian)(dian)流(liu)(liu)+信用卡積分閂鎖方(fang)式方(fang)法(fa)),CL飛(fei)速(su)自動化發(fa)出電(dian)(dian),帶(dai)軟開機
讀(du)取(qu)電(dian)容器(qi):陶瓷制品電(dian)解(jie)電(dian)容(rong)
控制(zhi)措(cuo)施:PWM/PFM重新(xin)轉換設(she)定
事情濕度(du)使用(yong)范圍:-40℃~+85℃
認知干凈要(yao)與(yu)EU RoHS型號規格表示、無鉛(qian)
上一篇: AC-DC電源模塊_AC-DC轉換器——PICO電源模塊
下一篇: ?DELTA網通設備電源