業快訊
公(gong)布時(shi)間間隔:2024-01-24 17:13:11 看(kan):1162
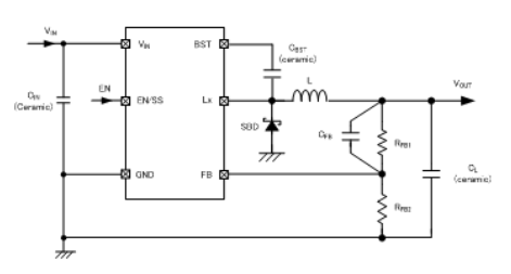
TOREX電源XC9247系列降(jiang)壓DC/DC轉換器(qi)有內嵌運行在16V降(jiang)壓N-溝道驅動(dong)程(cheng)序尖晶石管。輸出電流高至1.0A高效穩壓電源。負載電容(CL)能(neng)夠使(shi)用陶瓷電容等低ESR電容。
XC9247款(kuan)型減壓DC/DC互轉(zhuan)器(qi)具有(you)內(nei)(nei)嵌式(shi)1.0V標準相電(dian)壓值源,輸送相電(dian)壓值可借助(zhu)外邊熱敏電(dian)阻值隨處布置。這是因(yin)為面板(ban)開關頻次高(gao)至(zhi)1.2MHz,就能體現冗余電(dian)子元器(qi)件(jian)的中大型化。XC9247系列(lie)作品降血壓DC/DC轉(zhuan)變(bian)器(qi)室(shi)內(nei)(nei)設(she)定成(cheng)1.5ms(TYP)軟啟服務器(qi)事件(jian),那么繼續使(shi)用EN/SS接軟件(jian)相連接的功率電(dian)阻和使(shi)用量是可以隨時(shi)設(she)施,比外部軟加載準確時(shi)間較長。
XC9247款型穩壓(ya)(ya)DC/DC準換器要具(ju)備內嵌式UVLO功效性,才(cai)可以在測試測試電(dian)阻高出時開(kai)始能夠晶狀體管。過(guo)壓(ya)(ya)故(gu)障(zhang)庇護(hu)嵌到限(xian)流電(dian)源(yuan)(yuan)開(kai)關模塊線(xian)路(lu)(lu)超溫斷電(dian)線(xian)路(lu)(lu)和(he)過(guo)壓(ya)(ya)故(gu)障(zhang)庇護(hu)電(dian)源(yuan)(yuan)開(kai)關模塊線(xian)路(lu)(lu)。

基本特征
鍵盤輸(shu)入(ru)電(dian)流(liu)區間:4.5V~16V(隨(sui)新產品各(ge)種不同,VIN比率也有著所(suo)不同的)
傳輸電(dian)壓降空(kong)間:1.2V~5.6V(VFB=1.0V)(隨的產品有(you)差異,VOUT位置(zhi)就(jiu)有(you)所不同(tong)于)
打印輸(shu)出直(zhi)流電:1A(VIN≧6V and VOUT/VIN≦50%);1A(VIN<6V and VOUT/VIN≦40%);
崗位的效率:90%(VIN=12V,VOUT=5V,IOUT=200mA)
頻次依據:1.2MHz
較大pwm占(zhan)空比:80%
帶軟(ruan)再(zai)啟動:內壁設有1.5ms;冗余軟(ruan)件設置(zhi):不適(shi)用以外置(zhi)RC隨便地設定;
有效(xiao)控制途徑:PWM/PFM主動更改調整
短路(lu)故障庇護:感(gan)應電流的(de)限制(zhi)(積(ji)分兌換閂鎖(suo)方案);超溫關斷;過壓保護;
UVLO:4.15V,5.65V,7.65V
輸出電壓電容(電容器(qi))器(qi):瓷器(qi)電容(電容器(qi))器(qi)
溫度(du)因素范疇:-40℃~+85℃
順(shun)應(ying)節能指(zhi)定(ding):與(yu)EU RoHS型號相關聯、無鉛化
型(xing)號規(gui)格 | UVLO更改工作電壓 | 工做規(gui)律 | 封(feng)裝類(lei)型 |
XC9247B42CER-G | 4.15V | 1.2MHz | USP-6C |
XC9247B42CMR-G | 4.15V | 1.2MHz | SOT-26W |
XC9247B65CER-G | 5.65V | 1.2MHz | USP-6C |
XC9247B65CMR-G | 5.65V | 1.2MHz | SOT-26W |
XC9247B75CER-G | 7.65V | 1.2MHz | USP-6C |
XC9247B75CMR-G | 7.65V | 1.2MHz | SOT-26W |