互聯網行業新聞咨詢
發(fa)表準確(que)時間:2024-03-22 09:58:06 訪問(wen):1062
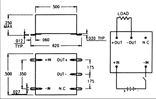
PICOAT-SAT款型(xing)是隔絕式單路雙(shuang)路輸(shu)出DC-DC轉換成器(qi),是可以在-25°C至+70°C的(de)寬水溫(wen)使(shi)用范圍(wei)內維(wei)持(chi)運轉,不需木制托盤的(de)熱管(guan)暖(nuan)氣片或降額解決。直接,內部設置有的(de)輸(shu)出電容(rong)(電貯(zhu)槽)器(qi)和五個便宜的(de)發(fa)送電壓值按鈕(3V、5V、9V、12V)這樣(yang)有利于普通用戶要學會(hui)簡(jian)化(hua)電源線路構思(si)。

AT底視圖 SAT底視圖
PICO AT-SAT系給(gei)予(yu)四種(zhong)產(chan)(chan)品材質(zhi)(zhi)首選,每款產(chan)(chan)品材質(zhi)(zhi)都體(ti)現了不(bu)高的電壓(ya)電流(liu)量消費。內容輸(shu)出的端電壓(ya)為3.3-15V,較大 過載電壓(ya)電流(liu)量50-227mA,內容輸(shu)出的功效將(jiang)高達(da)0.75W,該改換(huan)器使用半導(dao)體(ti)技(ji)術(shu)超(chao)不(bu)同規格的中小(xiao)(xiao)型(xing)打(da)包打(da)包封裝,打(da)包打(da)包封裝尺寸大小(xiao)(xiao)為0.5”x0.5”x0.2”。
| 串聯AT-SAT單路輸出 | |||||||||||
| PICO 插件 部件 號 | PICO 表面 貼裝 零件 編號 | 輸入 電壓。 (V直流) | 輸出 電壓 (V直流) | 最大負載 電流 (mA) | 最大輸出 功率 (瓦) | 典型 值 ( % ) | 電流 典型 值(mA) | 輸出 電壓 紋波 @滿 載* (Vp-p max) | 空載 電流 (典型 值) (mA) | 電壓 容差 (V DC) | 價格 (美元) |
| 3AT3.3S 3AT5S 3AT5.2S 3AT9S 3AT12S 3AT15S | 3SAT3.3S 3SAT5S 3SAT5.2S 3SAT9S 3SAT12S 3SAT15S | 33 3 3 3 3 | 3.3 5 5.2 9 12 15 | 197 130 125 83 63 50 | 0.65 0.65 0.65 0.75 0.750.75 | 61 66 66 70 72 73 | 355 328 328 357 347342 | 0.20 0.20 0.20 0.20 0.20 0.20 | 35 35 35 3535 35 | ±0.20 ±0.25 ±0.25 ±0.30 ±0.40 ±0.40 | 115.98 115.98 115.98 115.98 115.98 |
| 5AT3.3S 5AT5S 5AT5.2S 5AT9S 5AT12S 5AT15S | 5SAT3.3S 5SAT5S 5SAT5.2S 5SAT9S 5SAT12S 5SAT15S | 55 5 55 5 | 3.3 5.2 9 12 15 | 227 150 144 83 63 50 | 0.75 0.75 0.75 0.75 0.750.75 | 64 69 69 72 75 76 | 234 217 217 208 200 197 | 0.20 0.20 0.20 0.20 0.20 0.20 | 25 25 25 2525 25 | ±0.20 ±0.25 ±0.25 ±0.30 ±0.40 ±0.40 | 115.98 115.98 115.98 115.98 115.98 |
| 9AT3.3S 9AT5S 9AT5.2S 9AT9S 9AT12S 9AT15S | 9SAT3.3S 9SAT5S 9SAT5.2S 9SAT9S 9SAT12S 9SAT15S | 99 9 99 9 | 3.3 5 5.2 9 12 15 | 227 150 144 83 63 50 | 0.75 0.75 075 0.75 0.750.75 | 65 70 7072 78 80 | 128 119 119 116 107 104 | 0.20 0.20 0.20 0.20 0.20 0.20 | 15 15 15 1515 15 | ±0.20 ±0.25 ±0.25 ±0.30 ±0.40 ±040 | 115.98 115.98 115.98 115.98 115.98 |
| 12AT3.3S 12AT5S 12AT5.2S 12AT9S 12AT12S 12AT15S | 12SAT3.3S 12SAT5S 12SAT5.2S 12SAT9S 12SAT12S 12SAT15S | 12 12 12 12 1212 | 3.3 5 5.2 9 12 15 | 227 150 144 83 63 50 | 0.75 0.75 0.75 0.75 0750.75 | 66 71 71 73 78 80 | 95 88 88 86 80 78 | 0.20 0.20 0.20 0.20 0.20 0.20 | 88 8 88 8 | ±0.20 ±0.25 ±0.25 ±0.30 ±040 ±0.40 | 115.98 115.98 11598 115.98 115.98 |
| 串聯 AT-SAT 雙輸出 | |||||||||||
| PICO 插件 部件 號 | PICO 表面 貼裝 零件 編號 | 輸入 電壓。 (V直流) | 輸出 電壓 (V直流) | 最大負載 電流 (mA) | 最大輸出 功率 (瓦) | 典型值 (%) | 電流 典型 值(mA) | 輸出 電壓 紋波 @滿 載* (Vp-p max) | 空載 電流 (典型 值) (mA) | 電壓 容差 (V DC) | 價格 (美元) |
| 3AT5D 3AT9D 3AT12D 3AT15D | 3SAT5D 3SAT9D 3SAT12D 3SAT15D | 33 3 3 | 59 12 15 | 65 41 31 25 | 0.325 0.375 0.375 0.375 | 66 70 72 73 | 328 357 347 342 | 0.20 0.20 0.20 0.20 | 35 35 35 35 | ±0.25 ±0.30 ±0.40 ±0.40 | 130.66 130.66 130.66 130.66 |
| 5AT5D 5AT9D 5AT12D 5AT15D | 5SAT5D 5SAT9D 5SAT12D 5SAT15D | 59 12 15 | 75 41 31 25 | 0.375 0.375 0.375 0.375 | 69 72 75 76 | 217 208 200 197 | 0.20 0.20 0.20 0.20 | 35 25 25 25 | ±0.25 ±0.30 ±0.40 ±0.40 | 130.66 130.66 130.66 130.66 | |
| 9AT5D 9AT9D 9AT12D 9AT15D | 9SAT5D 9SAT9D 9SAT12D 9SAT15D | 99 9 9 | 59 12 15 | 75 41 31 25 | 0.375 0.375 0.375 0.375 | 70 72 78 80 | 119 116 107 104 | 0.20 0.20 0.20 0.20 | 15 15 15 15 | ±0.25 ±0.3 ±0.40 ±0.40 | 130.66 130.66 130.66 130.66 |
| 12AT5D 12AT9D 12AT12D 12AT15D | 12SAT5D 12SAT9D 12SAT12D 12SAT15D | 12 12 12 12 | 59 12 15 | 75 41 31 25 | 0.375 0.375 0.375 0.375 | 71 78 78 80 | 88 86 80 78 | 0.20 0.20 0.20 0.20 | 8 8 8 | ±0.25 ±0.30 ±0.40 ±0.40 | 130.66 130.66 130.66 130.66 |
南京市立維創展技術是PICO公司的的分銷模(mo)(mo)式(shi)商。給出德國PICO主(zhu)機開關(guan)電(dian)(dian)(dian)(dian)(dian)(dian)(dian)源(yuan)適(shi)配器(qi)信(xin)息摸(mo)塊(kuai)、軍(jun)工主(zhu)機開關(guan)電(dian)(dian)(dian)(dian)(dian)(dian)(dian)源(yuan)適(shi)配器(qi)信(xin)息摸(mo)塊(kuai)、高壓(ya)(ya)(ya)電(dian)(dian)(dian)(dian)(dian)(dian)(dian)抗(kang)(kang)器(qi)主(zhu)機開關(guan)電(dian)(dian)(dian)(dian)(dian)(dian)(dian)源(yuan)適(shi)配器(qi)信(xin)息摸(mo)塊(kuai)、小行電(dian)(dian)(dian)(dian)(dian)(dian)(dian)抗(kang)(kang)器(qi)、MIL-PRF-21038/27型號規格電(dian)(dian)(dian)(dian)(dian)(dian)(dian)抗(kang)(kang)器(qi)、輸入脈沖電(dian)(dian)(dian)(dian)(dian)(dian)(dian)抗(kang)(kang)器(qi)、400 MHz輸配電(dian)(dian)(dian)(dian)(dian)(dian)(dian)電(dian)(dian)(dian)(dian)(dian)(dian)(dian)抗(kang)(kang)器(qi)、MIL-STD-1553數據接(jie)口變(bian)電(dian)(dian)(dian)(dian)(dian)(dian)(dian)器(qi)、音(yin)頻視頻變(bian)電(dian)(dian)(dian)(dian)(dian)(dian)(dian)器(qi)、效率(lv)電(dian)(dian)(dian)(dian)(dian)(dian)(dian)感(gan)(gan)(gan)、徽型效率(lv)電(dian)(dian)(dian)(dian)(dian)(dian)(dian)感(gan)(gan)(gan)、EMI電(dian)(dian)(dian)(dian)(dian)(dian)(dian)感(gan)(gan)(gan)、薄DC-直(zhi)(zhi)流電(dian)(dian)(dian)(dian)(dian)(dian)(dian)電(dian)(dian)(dian)(dian)(dian)(dian)(dian)源(yuan)線(xian)信(xin)息模(mo)(mo)塊(kuai)、軍(jun)用(yong)裝備DC-DC電(dian)(dian)(dian)(dian)(dian)(dian)(dian)壓(ya)(ya)(ya)方(fang)案、磚塊(kuai)DC-DC交流電(dian)(dian)(dian)(dian)(dian)(dian)(dian)源(yuan)摸(mo)塊(kuai)、高壓(ya)(ya)(ya)力DC-DC、AC-DC電(dian)(dian)(dian)(dian)(dian)(dian)(dian)壓(ya)(ya)(ya)線(xian)傳(chuan)感(gan)(gan)(gan)器(qi)、控制(zhi)開關(guan)直(zhi)(zhi)流電(dian)(dian)(dian)(dian)(dian)(dian)(dian)壓(ya)(ya)(ya)電(dian)(dian)(dian)(dian)(dian)(dian)(dian)壓(ya)(ya)(ya)線(xian)傳(chuan)感(gan)(gan)(gan)器(qi)、要進(jin)行隔離電(dian)(dian)(dian)(dian)(dian)(dian)(dian)壓(ya)(ya)(ya)線(xian)傳(chuan)感(gan)(gan)(gan)器(qi)、國際航(hang)空電(dian)(dian)(dian)(dian)(dian)(dian)(dian)壓(ya)(ya)(ya)線(xian)傳(chuan)感(gan)(gan)(gan)器(qi)等技能電(dian)(dian)(dian)(dian)(dian)(dian)(dian)壓(ya)(ya)(ya)線(xian)傳(chuan)感(gan)(gan)(gan)器(qi)和(he)電(dian)(dian)(dian)(dian)(dian)(dian)(dian)機功率(lv)準(zhun)換(huan)器(qi)。原廠(chang)商品進(jin)口清關(guan),線(xian)質(zhi)量(liang)確保(bao),歡迎辭在線(xian)咨(zi)詢。
詳細信息了解一下PICO交流電源模組請點擊量://m.takasago.net.cn/brand/15.html