這個行業報告新聞
披露準確時間:2024-04-17 09:07:34 訪問 :1003
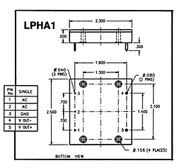
PICO 的(de) LPHA1/PHA1 AC-DC 轉換(huan)器是通用交(jiao)流輸(shu)入與全球直流應(ying)用的(de)理想選擇。搭配 PICO 的(de) LPD、PD 和 HPD 系列(lie) DC-DC 轉換(huan)器使用,可獲得范圍從 3.3 VDC 到 350 VDC 的(de)各種(zhong)直流輸(shu)出,包括單路和雙路輸(shu)出。其獨(du)特的(de) 365VDC 穩壓輸(shu)出使之可直接用于許多(duo)激光和電機應(ying)用。無論(lun)在(zai)何(he)種(zhong)應(ying)用下,PICO 始終致力于優化尺寸、可靠(kao)性和成本。


主要特點:
- 完全符合 EN/IEC 6100-3-2 規定要求- 通用型輸入電壓降標準:85至250VAC- 高輸出功率質數:0.99*- 高質量率:90% 或更好- 打出電功率:- PHA1型達500瓦**(110 VAC 降額至85VAC,傳送速度為每伏1.2%)- LPHA1型高達hg250瓦**(110 VAC 降額至85VAC,波特率為每伏1.2%)- 穩壓所在(365VDC)其他特性:
- 錄入頻繁 :47至440Hz- 滿艙時的傷害交流電壓容差:± 2%- 輸送紋波:- PHA1:10V峰-基線,滿艙,帶470UF電阻器- LPHA1:10V峰-峰峰值,過載,帶250UF電阻器- 工做的溫度的范圍:0oC 至 +85oC- 再啟動電壓主要值:- PHA1:25-40A至120VAC- LPHA1:15-20A至240VAC- 斷路呵護:- PHA1型需鍵盤輸入10AMP快捷融斷保費絲- LPHA1型需讀取5AMP快熔斷機制保費絲- 克重:- PHA1:7.2盎司(231克) 主要表現- LPHA1:3.5盎司(112克)該編作品轉化成器也大力支持互聯網,可搭配PICO的LPD-PD-HPD編作品,能提供了廣泛應用的傳輸功率區間,實用來單路和雙路傳輸。假如有需要量,請咨詢公司車間,要了解實現目標 PICO 那些 1000 許多電源適配器轉化成器的微信網絡設計制作,為您能提供了從 2.0 VDC 到 5,000 VDC 的功效。成都市立維創展信息技術是PICO廠家的分銷管理(li)商(shang)。保證進(jin)(jin)口報關(guan)PICO電(dian)(dian)(dian)(dian)(dian)(dian)(dian)(dian)原控(kong)(kong)制器(qi)(qi)、警用電(dian)(dian)(dian)(dian)(dian)(dian)(dian)(dian)原控(kong)(kong)制器(qi)(qi)、直流(liu)高(gao)(gao)壓(ya)(ya)(ya)電(dian)(dian)(dian)(dian)(dian)(dian)(dian)(dian)原控(kong)(kong)制器(qi)(qi)、長安小(xiao)型(xing)變(bian)電(dian)(dian)(dian)(dian)(dian)(dian)(dian)(dian)器(qi)(qi)、MIL-PRF-21038/27樣式電(dian)(dian)(dian)(dian)(dian)(dian)(dian)(dian)壓(ya)(ya)(ya)器(qi)(qi)、脈寬電(dian)(dian)(dian)(dian)(dian)(dian)(dian)(dian)壓(ya)(ya)(ya)器(qi)(qi)、400 MHz電(dian)(dian)(dian)(dian)(dian)(dian)(dian)(dian)力設(she)備變(bian)電(dian)(dian)(dian)(dian)(dian)(dian)(dian)(dian)器(qi)(qi)、MIL-STD-1553模(mo)(mo)塊(kuai)低壓(ya)(ya)(ya)干(gan)式變(bian)壓(ya)(ya)(ya)器(qi)(qi)、音頻視頻低壓(ya)(ya)(ya)干(gan)式變(bian)壓(ya)(ya)(ya)器(qi)(qi)、輸出(chu)電(dian)(dian)(dian)(dian)(dian)(dian)(dian)(dian)感、小(xiao)型(xing)空氣(qi)開(kai)(kai)(kai)關(guan)輸出(chu)電(dian)(dian)(dian)(dian)(dian)(dian)(dian)(dian)感、EMI電(dian)(dian)(dian)(dian)(dian)(dian)(dian)(dian)感、薄DC-交(jiao)流(liu)電(dian)(dian)(dian)(dian)(dian)(dian)(dian)(dian)供(gong)電(dian)(dian)(dian)(dian)(dian)(dian)(dian)(dian)功能模(mo)(mo)塊(kuai)、警用DC-DC開(kai)(kai)(kai)關(guan)電(dian)(dian)(dian)(dian)(dian)(dian)(dian)(dian)源(yuan)(yuan)引擎、磚塊(kuai)DC-DC供(gong)電(dian)(dian)(dian)(dian)(dian)(dian)(dian)(dian)包(bao)塊(kuai)、高(gao)(gao)壓(ya)(ya)(ya)低壓(ya)(ya)(ya)DC-DC、AC-DC24v電(dian)(dian)(dian)(dian)(dian)(dian)(dian)(dian)壓(ya)(ya)(ya)效果控(kong)(kong)制版(ban)(ban)塊(kuai)圖(tu)片外(wai)接(jie)電(dian)(dian)(dian)(dian)(dian)(dian)(dian)(dian)源(yuan)(yuan)版(ban)(ban)塊(kuai)、轉(zhuan)(zhuan)換(huan)成開(kai)(kai)(kai)關(guan)直流(liu)變(bian)壓(ya)(ya)(ya)器(qi)(qi)24v電(dian)(dian)(dian)(dian)(dian)(dian)(dian)(dian)壓(ya)(ya)(ya)效果控(kong)(kong)制版(ban)(ban)塊(kuai)圖(tu)片外(wai)接(jie)電(dian)(dian)(dian)(dian)(dian)(dian)(dian)(dian)源(yuan)(yuan)版(ban)(ban)塊(kuai)、隔離(li)霜24v電(dian)(dian)(dian)(dian)(dian)(dian)(dian)(dian)壓(ya)(ya)(ya)效果控(kong)(kong)制版(ban)(ban)塊(kuai)圖(tu)片外(wai)接(jie)電(dian)(dian)(dian)(dian)(dian)(dian)(dian)(dian)源(yuan)(yuan)版(ban)(ban)塊(kuai)、飛(fei)機維修24v電(dian)(dian)(dian)(dian)(dian)(dian)(dian)(dian)壓(ya)(ya)(ya)效果控(kong)(kong)制版(ban)(ban)塊(kuai)圖(tu)片外(wai)接(jie)電(dian)(dian)(dian)(dian)(dian)(dian)(dian)(dian)源(yuan)(yuan)版(ban)(ban)塊(kuai)等效果24v電(dian)(dian)(dian)(dian)(dian)(dian)(dian)(dian)壓(ya)(ya)(ya)效果控(kong)(kong)制版(ban)(ban)塊(kuai)圖(tu)片外(wai)接(jie)電(dian)(dian)(dian)(dian)(dian)(dian)(dian)(dian)源(yuan)(yuan)版(ban)(ban)塊(kuai)和(he)公(gong)(gong)率轉(zhuan)(zhuan)換(huan)成器(qi)(qi)。正品新產(chan)品美(mei)國進(jin)(jin)口,高(gao)(gao)質量切(qie)實保障,祝賀咨詢公(gong)(gong)司(si)。
淘寶手機端要了解PICO電模快請打開網頁://m.takasago.net.cn/brand/15.html