互聯網行業新聞
發布消息精力:2024-06-12 09:21:24 預覽(lan):6938
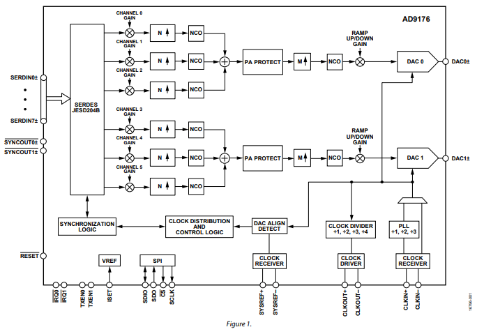
AD9176是ADI一(yi)款高性(xing)能的雙通道(dao)16位數模(mo)轉換器(DAC),支(zhi)持高達12.6 GSPS的DAC采(cai)樣速(su)率(lv)。它(ta)采(cai)用了8線(xian)(xian)15.4 Gbps JESD204B數據輸入端口(kou),以及高性(xing)能的片內DAC時鐘倍頻(pin)(pin)器和(he)數字信號(hao)處理(li)功能,非常適合于單頻(pin)(pin)段和(he)多(duo)頻(pin)(pin)段直接到射頻(pin)(pin)(RF)無線(xian)(xian)應(ying)用。
| Model' | Temperature Range | Package Description | Package Optio | |
| AD9176BBPZ AD9176BBPZRL AD9176-FMC-EBZ | -40℃to+85℃ -40℃ to+85℃ | 144-Ball Ball Grid Array,Thermally Enhanced [BGA_ED 144-Ball Ball Grid Array,Thermally Enhanced [BGA_ED] Evaluation Board | BP-144-1 BP-144-1 | |

深圳市立維創展科技是ADI的(de)經銷處商(shang)。ADI電子器(qi)件產(chan)(chan)品生(sheng)產(chan)(chan):增(zeng)加器(qi)、非線性產(chan)(chan)品、數據庫(ku)轉變器(qi)、音視頻產(chan)(chan)品、移動(dong)寬帶(dai)產(chan)(chan)品、鬧鐘和(he)(he)自動(dong)IC、光仟寬帶(dai)和(he)(he)光仟寬帶(dai)通信網產(chan)(chan)品、數據接口和(he)(he)間(jian)隔時間(jian)、MEMS和(he)(he)調(diao)節器(qi)器(qi)、電源開(kai)關電源和(he)(he)熱經管(guan)、外理器(qi)和(he)(he)DSP、微(wei)波(bo)射(she)頻和(he)(he)多邊(bian)形外理器(qi)、電源開(kai)關和(he)(he)分路器(qi)等。
大(da)部件好產品,均展(zhan)示 現貨(huo)黃金(jin)庫(ku)存盤點(dian)購貨(huo)。*部件技術(shu)參(can)數需(xu)公司申請進口(kou)準許 ,喜歡咨詢(xun)公司!!!
上一篇: 高速模數轉換器ADC時鐘極性與啟動時間
下一篇: AD3542R數模轉換器(DAC)ADI