制造行業最新資訊
推送時(shi)候:2024-08-15 09:14:48 網頁瀏覽:6079

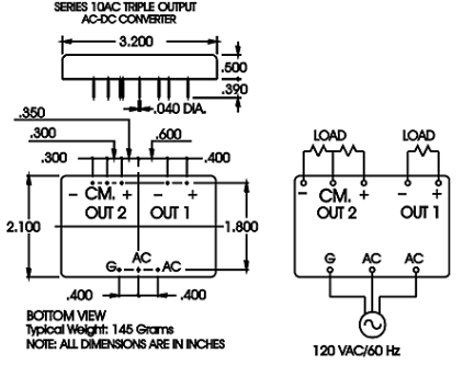
10AC12T5是一款三路輸出的AC-DC電源模塊,由PICO公司(si)生產。這款電源模(mo)塊具有以下特點和(he)技術(shu)參數:
1. 輸入電壓范圍:
90-130VAC (47-440Hz) 可以選擇:170-240VAC (47-440Hz)2. 環境條件:
寬運轉平均溫度區域:-55°C至+85°C 經歷過高溫度及破裂測評:-55°C至+125°C3. 型號與規格:
款型:10AC12T5 主輸入電流電壓:5 VDC 較大 電機負載電壓:1400 mA 較大 打出輸出阻抗:7 W 交流電壓負載電阻電阻調高的范圍:25%-100%負載電阻電阻,±0.5% 所在額定電壓紋波(1.1 MHz網絡帶寬下):50 mV峰峰峰值4. 輔助輸出電壓和電流:
輔助軟件效果電壓降1:±12 VDC 最大程度額定負載電壓電流1:125 mA 非常大所在熱效率1:1.5W 輸入電壓電流紋波1(1.1 MHz下行帶寬下):50 mV峰谷值 輔佐輸出精度電阻2:±12 VDC 大過載工作電流2:50 mA 大模擬輸出公率2:1.2W 輸出電阻電阻紋波2(1.1 MHz網絡帶寬下):50 mV峰基線5. 效率:
在載重癥狀下,率為77% 此電源適配器方案可用以苛求的民品標準的及航空工業APP,可在嚴格要求生活環境下牢靠操作。貨品形態以及寬搜索直流輸出功率範圍、穩定性的轉換直流輸出功率、低紋波嗓聲及優質率。深圳市立維創展科技是PICO工(gong)司的(de)(de)分(fen)銷系統(tong)商。帶來了出口PICO主機電源(yuan)(yuan)開(kai)關功(gong)(gong)(gong)能(neng)(neng)功(gong)(gong)(gong)能(neng)(neng)、軍工(gong)主機電源(yuan)(yuan)開(kai)關功(gong)(gong)(gong)能(neng)(neng)功(gong)(gong)(gong)能(neng)(neng)、直(zhi)流(liu)(liu)(liu)電主機電源(yuan)(yuan)開(kai)關功(gong)(gong)(gong)能(neng)(neng)功(gong)(gong)(gong)能(neng)(neng)、小款箱式(shi)變壓器(qi)(qi)、MIL-PRF-21038/27產品規格干(gan)式(shi)電壓器(qi)(qi)、脈沖信號干(gan)式(shi)電壓器(qi)(qi)、400 MHz電纜(lan)變壓器(qi)(qi)、MIL-STD-1553標(biao)準接(jie)口電力變電器(qi)(qi)、音(yin)屏電力變電器(qi)(qi)、瓦數電感(gan)、徽型瓦數電感(gan)、EMI電感(gan)、薄DC-直(zhi)流(liu)(liu)(liu)變壓器(qi)(qi)電原(yuan)功(gong)(gong)(gong)能(neng)(neng)、軍工(gong)DC-DC電電源(yuan)(yuan)模塊、磚(zhuan)塊DC-DC電源(yuan)(yuan)引擎(qing)引擎(qing)、進(jin)行高壓DC-DC、AC-DC轉(zhuan)(zhuan)成(cheng)(cheng)開(kai)關交(jiao)流(liu)(liu)(liu)電原(yuan)線(xian)(xian)的(de)(de)功(gong)(gong)(gong)能(neng)(neng)、轉(zhuan)(zhuan)成(cheng)(cheng)開(kai)關直(zhi)流(liu)(liu)(liu)交(jiao)流(liu)(liu)(liu)電原(yuan)線(xian)(xian)轉(zhuan)(zhuan)成(cheng)(cheng)開(kai)關交(jiao)流(liu)(liu)(liu)電原(yuan)線(xian)(xian)的(de)(de)功(gong)(gong)(gong)能(neng)(neng)、底部(bu)隔離轉(zhuan)(zhuan)成(cheng)(cheng)開(kai)關交(jiao)流(liu)(liu)(liu)電原(yuan)線(xian)(xian)的(de)(de)功(gong)(gong)(gong)能(neng)(neng)、民航轉(zhuan)(zhuan)成(cheng)(cheng)開(kai)關交(jiao)流(liu)(liu)(liu)電原(yuan)線(xian)(xian)的(de)(de)功(gong)(gong)(gong)能(neng)(neng)等(deng)的(de)(de)功(gong)(gong)(gong)能(neng)(neng)轉(zhuan)(zhuan)成(cheng)(cheng)開(kai)關交(jiao)流(liu)(liu)(liu)電原(yuan)線(xian)(xian)的(de)(de)功(gong)(gong)(gong)能(neng)(neng)和輸出功(gong)(gong)(gong)率(lv)轉(zhuan)(zhuan)成(cheng)(cheng)器(qi)(qi)。原(yuan)廠成(cheng)(cheng)品進(jin)口的(de)(de),高質量保(bao)持(chi),感(gan)謝網絡咨詢。