該行業內容
頒布(bu)準確時(shi)間(jian):2024-11-05 17:41:59 瀏覽記錄:816
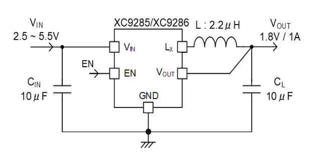
XC9285一(yi)系(xi)列是TOREX開關電(dian)源的(de)1款(kuan)內(nei)置(zhi)P銑面能夠FET和N內(nei)孔動力FET的(de)1.0A同步操作整流減壓DC/DC轉型(xing)器(qi)。
XC9285供(gong)電(dian)線電(dian)壓(ya)是可以在 0.8V 至 3.6V 范(fan)圍左(zuo)右(you)左(zuo)右(you)以 0.05V 寬度來合理定制。僅(jin)有(you)的外表提升裝置是電(dian)感電(dian)機轉子和電(dian)罐體器。
HiSAT-COT把控好飛速瞬態出錯(cuo)枝術(shu)也可(ke)以在(zai)負荷振動(dong)幅度時(shi)期將交(jiao)流電(dian)源的(de)(de)電(dian)壓降下來最(zui)低的(de)(de),特意比(bi)較適合FPGA或是想要電(dian)壓電(dian)流電(dian)壓電(dian)流準確性的(de)(de)機器設備等瞬時(shi)負荷變現越(yue)大的(de)(de)能力應(ying)用軟件。
按(an)照操作,都可以完成 SOT-25 和(he) USP-6C 數中擇打包封裝狀態。

基本特征
輸(shu)人相電(dian)壓(ya):2.5V ~ 5.5V
電源模塊工作(zuo)電壓規模:0.8V~ 3.6V (±2.0%)
輸(shu)入輸(shu)出電流量:1.0A
概率面積:1.2MHz
高效益率:92%
瞬(shun)時電流損耗量:15μA
控住辦法:HiSAT-COT管控
保護(hu)英文控制系統:熱(re)關
特點性:軟啟動器時
錄入輸出的電(dian)阻器:兼容陶瓷圖(tu)片電(dian)阻器
任(ren)務環(huan)保(bao)氣溫:-40℃ ~ 105℃
廣州 市(shi)立維創展科枝有現集團公(gong)司其優勢二級分銷TOREX主(zhu)機電源配件,過(guo)量現貨黃金(jin)庫存積(ji)壓(ya),誠(cheng)邀(yao)詢問。
型號 | 類行 | 工作輸出電壓降 | 作業頻次 | 芯片封裝 |
| XC9285A08CMR-G | 無(wu)CL自放電,無(wu)擊穿(chuan)保護 | 0.8V | 1.2MHz | SOT-25 |
| XC9285A0LCMR-G | 無CL擊穿(chuan),無串電守護 | 0.85V | 1.2MHz | SOT-25 |
| XC9285A09CMR-G | 無(wu)CL電池充電,無(wu)發生(sheng)故障養護(hu) | 0.9V | 1.2MHz | SOT-25 |
| XC9285A0MCMR-G | 無(wu)CL充放電(dian),無(wu)斷路(lu)養護 | 0.95V | 1.2MHz | SOT-25 |
| XC9285A10CMR-G | 無CL電流(liu),無不(bu)導通(tong)保護英文 | 1V | 1.2MHz | SOT-25 |
| XC9285A1ACMR-G | 無(wu)CL自放電,無(wu)不導(dao)通防(fang)護 | 1.05V | 1.2MHz | SOT-25 |
| XC9285A11CMR-G | 無CL釋放電能,無虛接愛護 | 1.1V | 1.2MHz | SOT-25 |
| XC9285A1BCMR-G | 無CL釋放電(dian)能,無串(chuan)電(dian)保護 | 1.15V | 1.2MHz | SOT-25 |
| XC9285A12CMR-G | 無CL充放電,無出現短(duan)路(lu)維護(hu) | 1.2V | 1.2MHz | SOT-25 |
| XC9285A1CCMR-G | 無CL釋放電能,無短(duan)路等問題(ti)保(bao)護英文 | 1.25V | 1.2MHz | SOT-25 |
| XC9285A13CMR-G | 無CL蓄電池(chi)充電,無跳(tiao)閘(zha)維護 | 1.3V | 1.2MHz | SOT-25 |
| XC9285A1DCMR-G | 無CL蓄電(dian)池放電(dian),無出現短路保護好 | 1.35V | 1.2MHz | SOT-25 |
| XC9285A14CMR-G | 無CL尖端放(fang)電,無漏電保養 | 1.4V | 1.2MHz | SOT-25 |
| XC9285A1ECMR-G | 無CL蓄電池充電,無出現短路愛護(hu) | 1.45V | 1.2MHz | SOT-25 |
| XC9285A15CMR-G | 無(wu)CL蓄電池(chi)充電,無(wu)發生(sheng)故障愛(ai)護 | 1.5V | 1.2MHz | SOT-25 |
| XC9285A1FCMR-G | 無CL電池充電,無擊穿守護 | 1.55V | 1.2MHz | SOT-25 |
| XC9285A16CMR-G | 無CL電(dian)池充電(dian),無擊穿保護好 | 1.6V | 1.2MHz | SOT-25 |
| XC9285A1HCMR-G | 無CL電(dian)流,無過(guo)壓養護 | 1.65V | 1.2MHz | SOT-25 |
| XC9285A17CMR-G | 無CL充放電,無過壓保障 | 1.7V | 1.2MHz | SOT-25 |
| XC9285A1KCMR-G | 無CL充放電(dian),無擊穿(chuan)保護好 | 1.75V | 1.2MHz | SOT-25 |
| XC9285A1LCMR-G | 無(wu)CL釋(shi)放電能,無(wu)短路(lu)等(deng)問(wen)題保障 | 1.85V | 1.2MHz | SOT-25 |
| XC9285A19CMR-G | 無CL發出電,無擊穿保護(hu) | 1.9V | 1.2MHz | SOT-25 |
| XC9285A1MCMR-G | 無(wu)CL蓄電池放電,無(wu)跳閘(zha)呵護 | 1.95V | 1.2MHz | SOT-25 |
| XC9285A20CMR-G | 無CL電流,無跳閘保護性 | 2V | 1.2MHz | SOT-25 |