企業方式
上(shang)架的時(shi)間(jian):2025-01-09 15:36:48 閱(yue)覽:802
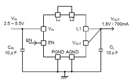
XCL244款型(xing)是電機轉(zhuan)子和調整(zheng)IC內置(zhi)式型(xing)的超小(xiao),超薄型(xing)型(xing)(2.25mm x 1.5mm,h=0.75mm)降(jiang)血壓DC/DC轉(zhuan)變(bian)成器。
XCL244系例穩壓DC/DC切(qie)換(huan)器只(zhi)需在表面(mian)電(dian)子(zi)元集(ji)成(cheng)電(dian)路芯(xin)片上加大兩大陶瓷制(zhi)品電(dian)罐體器就能構建電(dian)源(yuan)模塊電(dian)路原(yuan)理。原(yuan)機電(dian)感(gan)改善(shan)了各線路板布置,并(bing)明顯可能減小了因(yin)電(dian)子(zi)元集(ji)成(cheng)電(dian)路芯(xin)片擺好和接電(dian)源(yuan)而會造(zao)成(cheng)的報警和轟鳴聲。輸入輸出電流(liu)值都可以在0.8V至3.6V的范圍內(nei)以0.05V隔斷確定相同(tong)設計。
HiSAT-COT把(ba)控的(de)(de)快速(su)瞬(shun)態回應系統(tong)可(ke)以(yi)在載荷變化期內將的(de)(de)輸出電壓(ya)值降回極低,尤其最適合FPGA和須(xu)得(de)輸出交(jiao)(jiao)流(liu)(liu)電壓(ya)交(jiao)(jiao)流(liu)(liu)電壓(ya)不穩定量分析性的(de)(de)系統(tong)等瞬(shun)時負債起伏比較大的(de)(de)的(de)(de)選(xuan)用。
(*)HiSAT-COT是TOREX為(wei)DC/DC轉化成(cheng)器(qi)的產品而我一個人方法創新的極速瞬(shun)態(tai)運行方法。最可用作(zuo)于標準要(yao)求高(gao)(gao)高(gao)(gao)精(jing)度(du)相應高(gao)(gao)維持度(du)電源線電壓電流(liu)的結合(he)電源線路(lu)。
的特征
填(tian)寫工(gong)作電壓空間:2.5V ~ 5.5V
導(dao)出額定電壓(ya):0.80V ~ 1.00V (±20mV);1.05V ~ 3.60V (±2.0%);
頻段面積(ji):3.0MHz
輸入直流(liu)電壓:700mA
電流量材料(liao)耗費:25μA
工作效率:83%(VIN=3.8V,VOUT=1.8V,IOUT=400mA)
的控制途(tu)徑(jing):HiSAT-COT調(diao)整,PWM/PFM自行(xing)調(diao)準;
自我保護的特(te)點:
熱開起
感應(ying)電流禁止
漏電保護(hu)英文
基本功(gong)能:
軟打火
UVLO
CL釋放
電(dian)感器類器:兼容衛浴陶瓷(ci)電(dian)感器類器
工作上室內溫度:-40℃~105℃
杭州市立維創展科技信息有局限我司特點渠道分銷TOREX供電配件,大批期貨貨源,喜愛(ai)咨詢了解。。

尺寸 | 類別 | 的輸出的電壓 | 做工作聲(sheng)音頻率(lv) | 封裝類型 |
XCL244B083D2-G | 軟(ruan)開啟時(shi)候:0.3ms | 0.8V | 3.0MHz | USP-8B04 |
XCL244B0L3D2-G | 軟發動(dong)精(jing)力:0.3ms | 0.85V | 3.0MHz | USP-8B04 |
XCL244B093D2-G | 軟(ruan)無法時間:0.3ms | 0.9V | 3.0MHz | USP-8B04 |
XCL244B0M3D2-G | 軟初始化時長:0.3ms | 0.95V | 3.0MHz | USP-8B04 |
XCL244B103D2-G | 軟啟用的時間:0.3ms | 1V | 3.0MHz | USP-8B04 |
XCL244B1A3D2-G | 軟開(kai)機事件:0.3ms | 1.05V | 3.0MHz | USP-8B04 |
XCL244B113D2-G | 軟啟動器(qi)服(fu)務器(qi)的時(shi)間:0.3ms | 1.1V | 3.0MHz | USP-8B04 |
XCL244B1B3D2-G | 軟啟用(yong)時候(hou):0.3ms | 1.15V | 3.0MHz | USP-8B04 |
XCL244B123D2-G | 軟初始化時候:0.3ms | 1.2V | 3.0MHz | USP-8B04 |
XCL244B1C3D2-G | 軟啟動(dong)器時的時間:0.3ms | 1.25V | 3.0MHz | USP-8B04 |
XCL244B133D2-G | 軟重啟準確時間:0.3ms | 1.3V | 3.0MHz | USP-8B04 |
XCL244B1D3D2-G | 軟啟用(yong)事件(jian):0.3ms | 1.35V | 3.0MHz | USP-8B04 |
XCL244B143D2-G | 軟進行時間段(duan):0.3ms | 1.4V | 3.0MHz | USP-8B04 |
XCL244B1E3D2-G | 軟初(chu)始化時候:0.3ms | 1.45V | 3.0MHz | USP-8B04 |
XCL244B153D2-G | 軟再啟動耗時:0.3ms | 1.5V | 3.0MHz | USP-8B04 |
XCL244B1F3D2-G | 軟初始(shi)化日期:0.3ms | 1.55V | 3.0MHz | USP-8B04 |
XCL244B163D2-G | 軟加載時段:0.3ms | 1.6V | 3.0MHz | USP-8B04 |
XCL244B1H3D2-G | 軟再啟(qi)動時長(chang):0.3ms | 1.65V | 3.0MHz | USP-8B04 |
XCL244B173D2-G | 軟打火時長:0.3ms | 1.7V | 3.0MHz | USP-8B04 |
XCL244B1K3D2-G | 軟(ruan)運行日子:0.3ms | 1.75V | 3.0MHz | USP-8B04 |
XCL244B183D2-G | 軟(ruan)開機啟動日期:0.3ms | 1.8V | 3.0MHz | USP-8B04 |
XCL244B1L3D2-G | 軟無法時間:0.3ms | 1.85V | 3.0MHz | USP-8B04 |
XCL244B193D2-G | 軟重啟事件:0.3ms | 1.9V | 3.0MHz | USP-8B04 |
XCL244B1M3D2-G | 軟開始時段:0.3ms | 1.95V | 3.0MHz | USP-8B04 |
XCL244B203D2-G | 軟(ruan)打火時期:0.3ms | 2V | 3.0MHz | USP-8B04 |