這個行業方式
上傳日子:2025-02-12 15:52:44 查詢:530
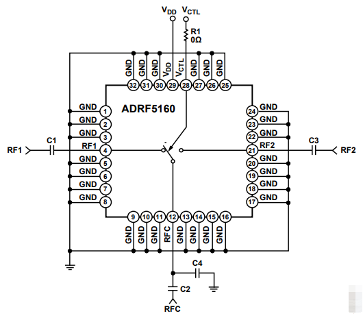
ADRF5160是Analog Devices Inc.(ADI)制定的一種高使用性能硅基0.7 GHz至4.0 GHz單刀雙擲(SPDT)反射層啟閉,采用了無引腳、從表面貼裝的芯片封裝表現形式。ADRF5160專為高工率軟件和蜂窩條件油煙凈化器,如太久變革(LTE)基站設備等定制。ADRF5160必備條件優秀的高電機功率治理 本事,其經常性(>10年)均勻具代表性值在8 dB峰均比LTE狀態下能達到41 dBm,一起在2.0 GHz以上的具代表性插入表格材料耗費僅為0.7 dB。除此以外,ADRF5160的輸出三階截點(IP3)基本特征參考值70 dBm,0.1 dB解壓縮點(P0.1dB)具代表性值一般選擇47 dBm。
ADRF5160的片上電線在5 V單正主機電源模塊輸出功率下程序運行,典例主機電源模塊直流電壓僅為1.1 mA,是PIN電感按鈕的抱負取代方案怎么寫。ADRF5160的打包封裝復合RoHS標準規定,適用緊湊型轎車的32引腳、5 mm × 5 mm LFCSP裝修設計。

性能簡析:
反射層式方案,50 Ω電位差適應
低復制不足:在2.0 GHz有以下,主要表現值一般選擇0.7 dB
高工率治療效率,在TCASE = 105°C經濟條件下的表現優等
經常性(>10年)一般工作功率表現形式:
累計波額定功率:43 dBm
最高值效率:49 dBm
LTE均衡工作功率(8 dB峰均比):41 dBm
一次事件真相(<10秒)分別LTE工率(8 dB峰均比):44 dBm
高線性網絡度展示:
P0.1dB基本特征值:47 dBm
IP3類型值:70 dBm
靜電蓄電池充電蓄電池充電(ESD)呵護定級高:
人體組織模式(HBM):4 kV,3A級
導電主設備模形(CDM):1.25 kV
單正電源適配器直流電壓:5 V
正把控數據,兼容CMOS/TTL電平
緊身的32引腳、5 mm × 5 mm LFCSP封裝
app范疇:
有線框架設施管理環保設備
軍事及高信得過性使用不一樣
測試圖片估測設施
用于PIN二級管旋鈕的代用方案范文
長沙市立維創展網絡是ADI的電商代銷商,核心展示 縮放器、平滑廠品、數據表格更換器、音短視頻廠品、寬帶網絡廠品、鐘表和訂時IC、金屬溝通物料、模塊和隔、MEMS和感應器器、供電和熱經管、進行芯片組和DSP、微波射頻和幾何圖形治理 器、轉換開關和重新分配器等,廠品原裝進口現貨平臺,價值特點,誠邀咨訊。