領域咨訊
更新時候:2025-04-17 16:39:19 查詢:449
EV12AD550B是一款高性能的宇航級S頻譜雙入口模數轉換器(ADC),專為要高監測率、高新動態依據和聯通寬帶設置的應運設置。EV12AD550B的設計目標是簡化宇航系統的復雜度并降低成本,同時提供高性能和高可靠性。
關鍵性特質
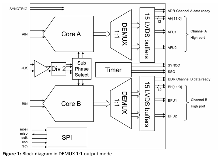
監測率:1.6 GSps(每綠色通道),支撐穩定數據信號采集,支持于寬帶網絡微波通信和雷達天線整體。
區分率:12位鑒別率,展示高表面粗糙度的信號轉變成,做到高動態化范圍之內要求。
出入口數:雙出入口,可以支持多出入口數字信號此次操作,適代替于來天線陣列或波束熱擠壓模式。
顯示傳輸速率:全輸出功率顯示傳輸速率(-3dB)達4.3 GHz,遍及Sk線(2-4 GHz),使用馬上數字式化低頻電磁波,不須下交流變頻。
動態數據信息比率之內:高動態數據信息比率之內,應用以凈化處理中弱警報多形式共存的僵化應用場景,如汽車雷達回波和北斗衛星網絡通信。
耗電量:2.3W/管道,在性能比較高指標下堅持低能耗,適用于對一級能效有規定的控制系統。
端口:LVDS效果,不支持低延期、高速公路數據顯示傳導。
封裝形式:CCGA323二極管封裝,所采用氮化鋁板料,適app在于高比熱容、高安全可靠性分析app。

EV12AD550B合適有哪些業務領域?
宇航這個領域
- 對地觀察分解成管徑雷達天線(SAR)高效負載:EV12AD550B的全工作功率錄入上行帶寬高達到4.3GHz,使用S波長間接數字1化,夠擁有SAR系統性對低頻手機信號外理的訴求。
- 通迅通訊衛星管用負載:其雙的通道設計方案和高采樣系統率(1.6Gsps)使其要科學規范加工流量遙感衛星中的高頻4g信號。
- 通訊北斗衛星動態數據分析鏈:可以使用于通訊北斗衛星左右的動態數據分析無線傳輸,搭載高速收費站無線信號加工。
- 定位非常計:還可以精度在線測量定位與大地接觸面之間的相應。
- 衛星影像行波管增加器(TWTA)來補償費整體:在來補償費預警在文件傳輸時中的損失。
- 星對星激光機器行業數據信息外鏈:搭載高上行帶寬的激光機器行業通訊網絡。
雷達天線與電子無線系統化
- 定向天線陣列和羅馬數字波束組成設計:EV12AD550B大力支持鏈式云同步能力,都可以于電子設備轉型和數字9波束構成設計的,增加統計設計的的智能化性和的性能。
- 智能電子無線抗擊系統的:其高動態數據標準和低串擾的特點使其合適很復雜的智能電子無線抗擊生態環境。
某些行業
- 檢驗與檢測機械:其高高精密和高動態信息范疇特質使其支持于高功能檢驗機械。
- 飛機維修光電系統的:能夠用于是需要銷售電價手機信號處里的飛機維修光電系統。
北京立維創展科枝是Teledyne E2V的生產商商,重點總需求Teledyne E2V齒條參數換為器和半導體材料,Teledyne E2V的應運前沿技術包含微波通信、自動式化、會發現、醫療管理、綠色環保等。價額優勢可言,邀請聯系。