行業內新聞
正式發布時候:2025-05-28 16:30:31 手機瀏覽:346
在電原模塊電源電機選型中,PTH03060WAH一款非常經典的高性能DC/DC電源模塊,但暗地里臨供貨渠道定期或成本費用原因時,工作師須要挖掘替代品方案怎么寫。LWH03060WAH可用為PTH03060WAH的代換計劃書,還是比較在企業控制、通信技術設備實驗儀器及檢查實驗儀器等對可信性性和效應耍求較高的情況中,兩種在技術設備參數指標和功能性上具極度兼容模式。
LWH03060WAH使用PTH03060WAH的優勢與劣勢:
芯片封裝與兼容問題
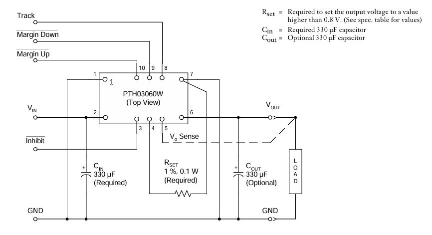
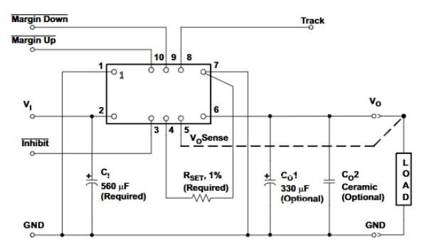
二極管封裝種類相似:LWH03060WAH和PTH03060WAH均選用10-DIP封口文本框樣式,長寬比為25.4mm x 15.7mm x 8.9mm,引腳判定和安轉的方式截然保持一致,可直觀轉換原電路板中的PTH03060WAH,免修訂PCB平面布置。
電性
效果效果範圍相符:LWH03060WAH的投入直流電壓時間范圍為2.95V至3.65V,讀取電壓電流可調式范疇為0.8V至2.5V,最大化效果電流大小10A,與PTH03060WAH的技術參數齊全識別,事關線路功能性保持穩定。
能力相當于:雙方效應均為93%,在不同電動機扭矩經濟條件下工作頻率和產生含糖量量差不多共同,必須變動散熱管設計的。

運作攝氏度依據
更寬的高溫適用于性:LWH03060WAH工做溫度因素標準為-40℃至126℃,而PTH03060WAH為-40℃至85℃。LWH03060WAH在溫度過低周圍環境下的保持穩界定良好,滿足寒風凜冽地或對溫度過低有特有追求的行業操作。
批發商鏈與直接費用
采購時間更短:LWH03060WAH的發貨期限常見為4至6周,而PTH03060WAH或許因的市場批售狀態延遲至8至12周。
投資成本長處:LWH03060WAH的出廠價較PTH03060WAH低約15%至20%,自定義采買時投入節約開支更比較突出。
長遠安全可靠性性
耐用度期限更長:LWH03060WAH的模組使用期限頻次為10年,而PTH03060WAH為8年,降低了系統運營和修改的聲音頻率。
抗電磁干擾業務能力更強:LWH03060WAH在化工業生活大環境中的渦流瀏覽器兼容性表現形式來詢,是和繁雜渦流生活大環境下的用途。
杭州市立維創展科技開發有限的總部存在20年電商元功率器件技術工藝積累更多,靠譜的企業新產品管理和品質質量創業團隊,贏得Leadway外接電源模組企業企業物品。以技術性什么是創新為核心思想,做最是和賣場訴求的企業企業物品規格尺寸。企業企業物品對比美系、日式,進行pin &pin替換成如必須要 其它技術性的支持,或物料詳詢,邀請詳詢。
Leadway形號  | 可截取TI形號  | 輸進額定電壓位置  | 傳輸輸出功率超范圍  | 的輸出直流電  | 事情溫暖規模  | 利用率  | 二極管封裝面積 (LWH)  | 
LWH03060WAH  | PTH03060WAH  | 2.95~3.65V  | 0.8 ~ 2.5V  | 10A  | -40℃ ~ 126℃  | 93%  | 10-DIP 25.4mm x 15.7mm x 8.9mm  |