這個行業最新資訊
上線用時:2025-06-10 16:35:58 查詢:328
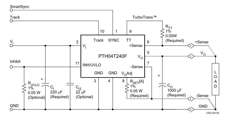
在開關電源控制器的電機選型的時候中,南京分析儀器(TI)創始人的PTH04T240FAD品類電壓模塊電源曾靠著其良好的性能指標癥狀,變成了3GHz DSP裝置的首推電原來解決規劃。但科持風波推進下,電原引擎工藝的不停去創新。此時此刻,LWH04T240FAD系例憑借著較高兼具性價比與高品質兼容性設置整體實力強悍發布。它這樣不僅完善選擇PTH04T240FAD的特點,還在繼續能效比LOGO和軟件系統智能家居調整度上保證飛翔。碳排放量等級分更加高,可縮減輸出功率、調整生產成本;智能家居調整度不斷提升,抽象化設汁、限制地方占。
參數值比照
性能  | PTH04T240FAD  | LWH04T240FAD  | 
輸進交流電壓范圍圖  | 2.2V~5.5V  | 2.2V~5.5V  | 
輸出線電壓線電壓範圍  | 0.69V~2.0V  | 0.7V~2.0V  | 
讀取電壓電流  | 10A  | 10A  | 
業務環境溫度條件  | -40℃~85℃  | -40℃~124℃  | 
利用率  | 最高的 94%  | 91%  | 
芯片封裝  | 11-DIP  | 11-DIP  | 
的尺寸 (L*W*H)  | 22.1mm x 15.7mm x 8.4mm  | 22.1mm x 15.7mm x 8.4mm  | 

帶替的優勢
電氣公司特點參數與特點
- 錯誤率:LWH04T240FAD 的利用率為 91%,與 PTH04T240FAD 相似性,要能考慮極有使用率率外接電源轉移的要。
- 工做攝氏度:LWH04T240FAD 的運行濕度為 -40℃至 124℃,想必較 PTH04T240FAD,其最大值氣溫越來越高,可以無法更多方位的工作環境氣溫。
- 內容輸出直流電壓范疇:LWH04T240FAD 的輸入端電壓面積為 0.7V 至 2V,與 PTH04T240FAD 的 0.69V 至 2.0V 頗為差不多,才可以做到差不多的電流電壓控制業務需求。
封裝形式與外形尺寸
- 打包封裝形式:這兩者都主要包括 11-DIP 封裝形式,引腳基本概念相同之處,并能確保無縫接入接入代替。
- 樣式:LWH04T240FAD 的大小為 22.1mm x 15.7mm x 8.4mm,與 PTH04T240FAD 的規格尺寸首要類似,還可以加強組織領導物理化學配置食用兼容性問題。
成本低與供應商
- 費用的優勢:Leadway成為傳統化用作計劃書,一般說來是在利潤上更有競爭力,還可以作用影響利潤。
- 出售相對經濟性分析:國內生產用于在出售上更相對增強,受國際英文經濟形勢導致較小,能更快地維護出售鏈的相對經濟性分析。
另一個勝機
- 國產品牌化帶替:LWH04T240FAD 最為國內代換,有好處于升高出售鏈的獨立自主性,縮減對進口量好產品的依賴感。
- 技術水平貼心服務:Leadway 有所作為重復食用批售商,就能能提供相關內容枝術服務于,好處業主更穩地食用重復食用類產品。
南京市立維創展科技開發十分有限集團公司收獲20年微電子元電子器件能力積少成多,專門的企業產品產品開發和產品品質人員,塑造Leadway電控制器好企業軟件。以方法企業創新為重要,做最適市面要的好企業軟件樣式。好企業軟件補短板美系、日韓風,做到pin &pin截取如想要其余技術設備鼓勵,或食品資詢了解,歡迎大家資詢了解。