產業咨詢
發布新聞的時間:2025-07-16 16:44:01 手機瀏覽:108

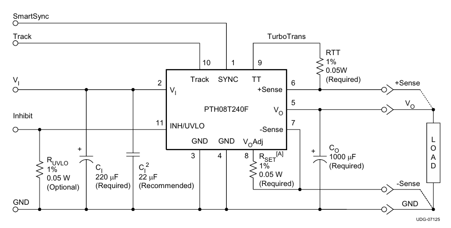
在交流電源板塊的選用全過程中,濰坊分析儀器(TI)主打的的PTH08T240FAD通過其優質的高特性和比較穩相關性,在化工業掌控體統、電力設施等一些教育領域受到多適用。或許,如今我國手機相關行業的更快進展,對電引擎國產圖片化使用的實際需求進一步明確,商家紛紛揚揚錄找成本費用更低、現貨物流系統更比較穩定的中國多元化徹底解決細則。再此時代背景下,Leadway進入中國的LWH08T240FAD電源線信息模塊用其與PTH08T240FAD高強度配備的電力設備性能指標、兼容的打包封裝設計構思,下列關于更有爭奪力的直接費用優點,成許多施工師和的采購招標方在國產a化充當中的理想型選取,行之有效保駕護航工廠降底的采購招標直接費用并挺高生產鏈耐磨性。
因素比對
工作  | PTH08T240FAD(TI)  | LWH08T240FAD(Leadway)  | 
手機輸入電壓電流  | 4.5 V – 14 V  | 4.5 V – 14 V  | 
工作輸出電流電壓  | 0.69 V – 2 V  | 0.69 V – 2 V  | 
輸出功率  | 10 A  | 10 A  | 
工作效率  | 90 %  | 90 %  | 
工做溫度因素  | –40 °C ~ +85 °C  | –40 °C ~ +117 °C  | 
封裝形式/盡寸  | 11-DIP,22.1×15.7×8.5 mm  | 11-DIP,22.1×15.7×8.6 mm  | 
作用  | 遠戰轉換開關、工作輸出能自由調節  | 遠程管理打開、輸入輸出能自由調節  | 
換用優質
室溫時間范圍更廣:
l LWH08T240FAD遺產繼承LWH品類的耐高溫性,其本職工作溫度領域遠低于PTH08T240FAD的-40℃ - 85℃,支持于耐室溫企業的環境或非常天汽標準。
成本價更低:
l 傳統化的LWH08T240FAD往往含有收費優質,利于增多整體化軟件系統收費收費。
供給鏈更穩定可靠性:
l LWH08T240FAD受全國形式導致較小,廠家直銷鏈更緊定,就能夠更強地系統維護生育長期性。
封裝類型兼容模式:
l LWH08T240FAD的使用與PTH08T240FAD重復的11-DIP封裝形式,可會直接修訂,不須修訂PCB規劃。
LWH08T240FAD可單獨刪除PTH08T240FAD,不可調整用電線路選址,適宜于通訊機機、重工業調整系統等科技領域。其高兼容模式與國產廠家直銷鏈資源優勢,是項目 師換用結構設計的很好采用。
廣州 市立維創展科技信息受限集團開發20年智能電子元元件方法沉淀,專業課程的新產品研究開發和品格隊伍,創造Leadway電源適配器輸出模塊物料。以新技術特色化為層面,做最更適合整個市場需求和前景分析的物料型號。物料對比美系、韓系,保持pin &pin截取如需用很多方法兼容,或服務質詢,歡迎辭質詢。