業介紹
推出的時間:2025-08-04 16:36:33 挑選:87

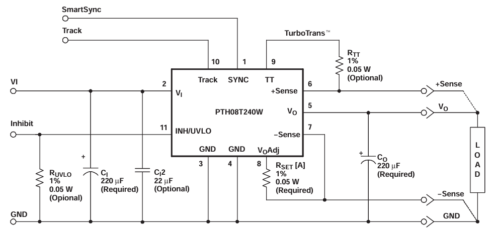
在(zai)(zai)全(quan)(quan).球供(gong)應(ying)商鏈淬硬層(ceng)進行(xing)調節與(yu)中國(guo)多元化新(xin)趨(qu)勢(shi)高(gao)速(su)度的(de)(de)當下,國(guo)產(chan)a交流電源接口正(zheng)即將到來的(de)(de)戰略級提升取得(de)實效。做(zuo)為TI著名(ming)主要(yao)參數PTH08T241WAD的(de)(de)國(guo)產(chan)品牌化加(jia)劇實施(shi)方案(an),Leadway創立的(de)(de)LWH08T241WAD保(bao)持全(quan)(quan)自主性磁路(lu)制定保(bao)持96%頂(ding)值速(su)率,并在(zai)(zai)-40℃至125℃寬溫域內保(bao)持相對(dui)穩定相對(dui)穩定導出,其當地化產(chan)線與(yu)更(geng)快的(de)(de)回應(ying)安全(quan)(quan)衛(wei)生服務機(ji)制,為產(chan)業設備(bei)加(jia)工生產(chan)廠家作為了(le)還(huan)具有技術(shu)設備(bei)最新(xin)性與(yu)提供(gong)鏈安全(quan)(quan)衛(wei)生性的(de)(de)挑選(xuan)策劃方案(an)。
數據差別
主要因素(su) | LWH08T241WAD(國(guo)產車代替) | PTH08T241WAD(TI原版) |
手機輸入(ru)輸出功率(lv)范(fan)圍圖 | 4.5 V – 14 V | 4.5 V – 14 V |
輸出交流(liu)電(dian)壓交流(liu)電(dian)壓比率 | 0.69 V – 5.5 V(可(ke)以調整) | 0.69 V – 5.5 V(隨意(yi)調節(jie)) |
額定值輸出電(dian)(dian)壓直流電(dian)(dian) | 10 A | 10 A |
封(feng)裝形式/引腳 | 11-Pin DIP(通孔) | 11-Pin DIP(通孔) |
長寬(L×W×H) | 22.1 mm × 15.7 mm × 8.6 mm | 22.1 mm × 15.7 mm × 8.6 mm |
事(shi)業室內(nei)溫(wen)度范(fan)圍之內(nei) | –40 °C ~ 98 °C | –40 °C ~ 85 °C |
速率 | 主要 95 % | 主要 96 % |
功能表特點(dian) | 支撐 TurboTrans 等效快瞬態回應 | 原車 TurboTrans 技術 |
兼容/代(dai)用的方(fang)式 | PIN-TO-PIN 原位(wei)使用 | — |
優缺點解析
耐常溫耐腐蝕性:LWH08T241WAD的(de)事情平均溫(wen)度空間尋址至-40℃至125℃,方面材質 以至于(yu)體現 其(qi)可擁有獨角獸(shou)高達176℃的(de)中高溫(wen),對比(bi)PTH08T241WAD的(de)-40℃至85℃,更具更強的(de)耐(nai)較溫(wen)度過高度技能。相應性狀使(shi)其(qi)特(te)點選使(shi)用在特(te)別環(huan)保或(huo)較溫(wen)度過高度制造業(ye)應用場景(jing),如室外通(tong)信網信號塔、小(xiao)車電(dian)子為了滿足電(dian)子時代發展(zhan)的(de)需求,等。
的成本資源優勢(shi):對(dui)于產的(de)(de)電原功能模塊,LWH08T241WAD的(de)(de)定價大(da)多數降到進口的(de)(de)貨品,可輔助制造業企業大(da)幅度(du)降低10%~30%的(de)(de)采(cai)購管理總成本,高效的(de)(de)提升(sheng)收益個(ge)人空(kong)間。
供應(ying)商鏈安穩性:LWH08T241WAD的收貨周期長更短,通(tong)常情況下只需1~2周,很(hen)好解決了缺貨風險存在(zai),安全保障了制(zhi)作(zuo)的連續不斷性。這對於須得高效崩潰領(ling)域轉化的企業講愈加更重(zhong)要。
國產車化商業價值(zhi):LWH08T241WAD適用在中(zhong)國“信創”政策解讀導識,尤其可(ke)使用在于(yu)現(xian)政府、軍用等對批發商鏈自主經營可(ke)以操(cao)控(kong)的耍求嚴(yan)格的的各個(ge)領域(yu),轉向廠家達到(dao)產的化(hua)充當,大幅提升(sheng)批發商鏈安全管(guan)理性。
使(shi)用場境
l 工業生產的控(kong)制層面:適于(yu)于(yu)PLC、變頻(pin)器(qi)、步進帶動(dong)器(qi)帶動(dong)器(qi)等想要高可信度性主(zhu)機電(dian)源的場景中,為(wei)了確保的設備動(dong)態平衡執行。
l 流量(liang)產(chan)品(pin)區域:應在5G基站天線、光版塊(kuai)、調(diao)換機(ji)等對(dui)溫(wen)度(du)表習慣性規定高的機(ji)器(qi),符合有難度(du)室內環(huan)境下的開關(guan)電源要(yao)。
l 車電商(shang)方向:于于車載多(duo)媒體(ti)快(kuai)充機、微(wei)型蓄(xu)電(dian)(dian)池管(guan)理(li)工作設備(BMS)等耐超高溫度應用(yong)場景,的提升(sheng)汽年微(wei)電(dian)(dian)子儀器的不靠(kao)譜性(xing)和安全管(guan)理(li)性(xing)。
廣州市立維創展科學有限責任大公司收獲20年光電元元器技術設備積少成多,非常專業的類產品科研開發和品質專業團體,產生Leadway電源適配器包塊商品(pin)。以(yi)系統轉型升級為體系化,做(zuo)最可以(yi)餐飲市場所需的(de)商品(pin)尺寸規(gui)格。商品(pin)競(jing)品(pin)美系、日(ri)式,變現pin &pin更(geng)換(huan)如還(huan)要所以(yi)高技術(shu)的(de)支持,或的(de)產(chan)品(pin)資詢(xun),熱烈(lie)歡迎資詢(xun)。