2英文
LA302 Z–10GHz差分限制放大器
LA302 Z–10GHz差分限制放大器高速收費站動態數據通信系統16針材料QFN打包封裝采集率:限幅拖動器導入上行寬帶:10 GHzSFDR:
LA310Z–8.3 GHz差分限制放大器
LA310Z–8.3 GHz差分減少放小器取樣率:限幅變大器輸進服務器帶寬:10 GHzSFDR:
10 Gbps跨阻放大器 TA205C
10 Gbps跨阻圖像放大器電路 TA205C特點:10 Gbps跨阻拖動器(5V)
LD162D? 差分激光二極管驅動器
OC-192/STM-64/10GbELD162DZ\U_G0 差分激光束二級管安裝伺服控制器32針QFN打包封裝職能:差分TOSA驅使器(5V)
14GHz Divide-by-2 DV002
14GHz Divide-by-2 DV002分頻比:2石英鐘率:14 GHz表現:低耗電量
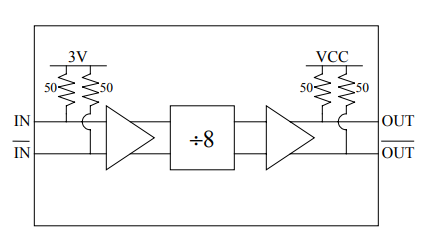
14GHz Divide-by-8 DV008
14GHz Divide-by-8 DV008分頻比:8鬧鐘幀率:14 GHz特征:低電量
特征:低電量
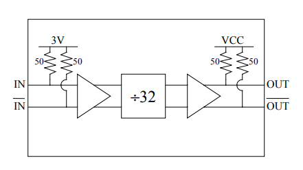
14GHz Divide-by-32 DV032
14GHz Divide-by-32 DV032分頻比:32鐘表的頻率:14 GHz基本特征:低電池壽命
12GHz Dual-Modulus Divide-by-4/5 DV45D
12GHz Dual-Modulus Divide-by-4/5 DV45D分頻比:4/5秒表速度:12 GHz顯著特點:雙模量4/5
10GHz Programmable Divide-by-2 to 31 DV31P
10GHz Programmable Divide-by-2 to 31 DV31P分頻比:2?31鐘表工作頻率:10 GHz表現:可java開發齒條參數2?31
8GHz Programmable Divide-by-128 to 255 DV255N
8GHz Programmable Divide-by-128 to 255 DV255N分頻比:128?255數字時鐘頻率:8 GHz癥狀:可代碼變位系數128?255
共2頁40條數據