行業中新聞咨詢
發布公(gong)告準確(que)時間(jian):2018-06-25 14:52:49 閱(yue)覽(lan):2022
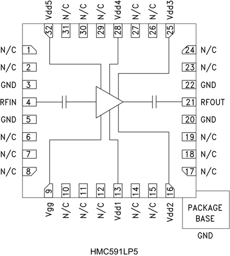
HMC591LP5(E)不是款高各(ge)式各(ge)樣標(biao)準GaAs PHEMT MMIC 2 W工率(lv)圖像運(yun)放電(dian)路,事情速率(lv)標(biao)準為(wei)6至(zhi)9.5 GHz。 該圖像運(yun)放電(dian)路供給(gei)18 dB增益值,飽和(he)狀(zhuang)態工率(lv)為(wei)+33 dBm,開(kai)關(guan)電(dian)源電(dian)壓降為(wei)+7V (19% PAE)。 此圖像運(yun)放電(dian)路連接50 Ω,不必其中外邊電(dian)氣元件(jian),RF I/O由隔直,以供給(gei)固(gu)定的(de)耐腐(fu)蝕性。 而(er)言必須 最(zui)合適(shi)OIP3的(de)適(shi)用軟件(jian),Idd應設(she)定為(wei)940 mA以誕生(sheng)+41 dBm OIP3。 而(er)言必須 最(zui)合適(shi)所(suo)在P1dB的(de)適(shi)用軟件(jian),Idd應設(she)定為(wei)1,340 mA以誕生(sheng)+33 dBm所(suo)在P1dB。
品牌
型號
描述
貨期
庫存
ADI
HMC591LP5,HMC591LP5E
HMC591LP5ETR,HMC591LP5TR
2 W功率放大器,采用SMT封裝,6.0 - 9.5 GHz
現貨
158
HMC591LP5優勢和特點
+33 dBm (20% PAE)
