HMC487LP5E/HMC487LP5ETR選擇SMT芯片封裝2瓦特瓦數擴大器 ADI現貨交易
發布的時間段:2018-06-25 15:48:33 搜素:2521
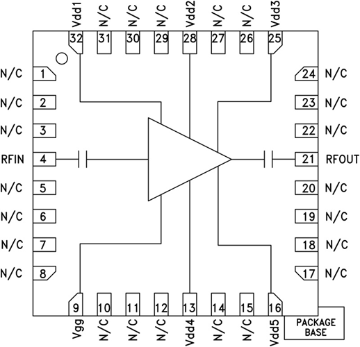
HMC487LP5(E)就是款高技巧性實用范圍GaAs PHEMT MMIC 2瓦特公率放小器,采用了無引腳5x5 mm表層貼裝封口。 該放小器在9至12 GHz的平率下運作,提高20 dB的收獲、+33 dBm的供大于求公率和20%的PAE,主機電源電阻為+7V。 輸出IP3為+36 dBm(經典值)。 RF I/O為隔直串口,并適應至50Ω,實用簡便。 HMC487LP5(E)不能不線焊,不可以實用表層貼裝制作業技巧。
|
品牌
|
型號
|
描述
|
貨期
|
庫存
|
|
ADI
|
HMC487LP5E
HMC487LP5ETR
|
2瓦特功率放大器,采用SMT封裝,9 - 12 GHz
|
現貨
|
223
|
HMC487LP5應用
-
點對點無線電
-
點對多點無線電
-
測試設備和傳感器
-
軍事最終用途
HMC487LP5優勢和特點
-
飽和功率: +33 dBm(PAE為20%時)
-
輸出IP3為+36 dBm
-
增益為20 dB
-
+7V、1300 mA電源
-
50 Ω匹配輸入/輸出
-
25 mm2無引腳SMT封裝
HMC487LP5結構圖
