行業中房產資訊
發(fa)表事件(jian):2019-02-20 16:00:57 預覽:1719
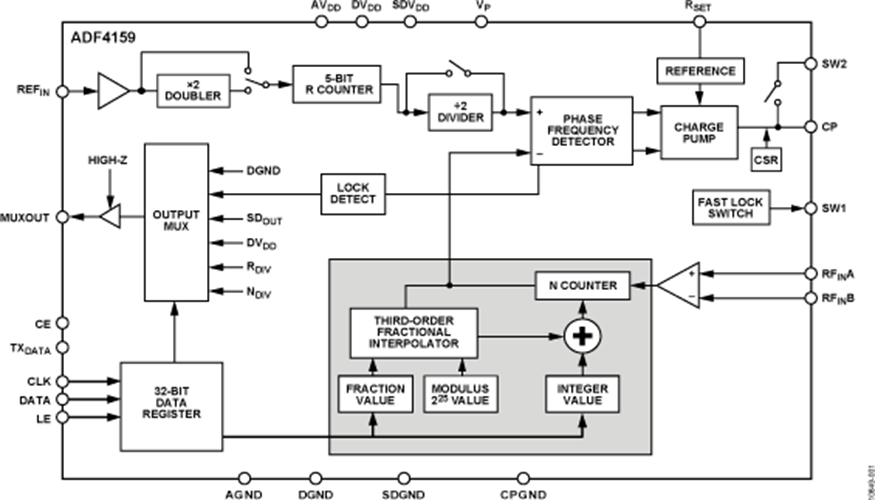
ADF4159WCCPZ由低噪聲數字鑒頻鑒相器(PFD)、精密電荷泵和可(ke)編程參考(kao)分(fen)頻器組(zu)成(cheng)。 該器件內置一(yi)個Σ-Δ型小數插值器,能夠實現可(ke)編程小數N分(fen)頻。 INT和FRAC寄存器可(ke)構成(cheng)一(yi)個總(zong)N分(fen)頻器(N = INT + (FRAC/225))。
ADF4159WCCPZ可于確保頻移鍵控(FSK)和相移鍵控(PSK)幅度調制。 另外一系可的概率掃描軟件拍攝傳統模式,可在頻域內存在一些波型,假如鋸齒形波和三邊形波。 掃描軟件拍攝可不就可以制定為自然對其進行,也可不就可以制定為能夠外面脈沖發生器人工操作驅散4個步數。 ADF4159WCCPZ享有周跳縮減電源線路,可進兩步變短綁定時光,而不能自己改進環路濾波器。 那些片內寄存器均確認比較簡單的3線式數據接口通過保持。 ADF4159所采用2.7 V至3.45 V模似變電和1.62 V至1.98 V數值變電變電,都要時能否關斷。
| 品牌 | 型號 | 貨期 | 庫存 |
| ADI | ADF4159WCCPZ | 1周 | 100 |
應用領域
優勢和特點
示意圖
