HMC499LC4/HMC499LC4TR適中電率變小器無引腳 ADI現貨黃金
上線時期:2018-06-26 11:11:34 閱讀(du):2173
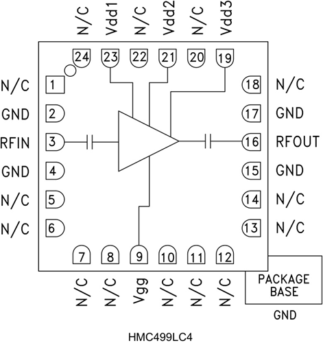
HMC499LC4就是款高動向條件GaAs PHEMT MMIC高的英語耗油率變成器,主要包括貼合RoHS規則的無引腳“無鉛”SMT裝封。 該變成器存在21至32 GHz的事情條件,具備16 dB增加收益、+24 dBm飽合耗油率和16% PAE(+5V供電電壓電流)。 隔直RF I/O篩選至50 Ω,安全選擇利于。 HMC499LC4不用再線焊,能能安全選擇表貼產生高技術。
|
品牌
|
型號
|
描述
|
貨期
|
庫存
|
|
ADI
|
HMC499LC4
HMC499LC4TR
|
中等功率放大器,采用SMT封裝,21 - 32 GHz
|
現貨
|
215
|
應用軟件
-
點對點無線電
-
點對多點無線電和VSAT
-
測試設備和傳感器
優點(dian)和作用(yong)
-
輸出IP3: +34 dBm
-
飽和功率: +24 dBm (16% PAE)
-
增益: 16 dB
-
+5V(200 mA)電源
-
50 Ω匹配輸入/輸出
-
符合RoHS標準的4x4 mm SMT封裝
組成部分(fen)圖
