HMC461LP3E雙綠色通道MMIC調小器 1w高IP3調小器 ADI期貨
頒布時長(chang):2018-06-26 11:49:49 搜索:1953
HMC461LP3(E)就是一款1.7 - 2.2 GHz高讀取IP3 GaAs InGaP異質結雙正負晶狀體管(HBT)雙出入口MMIC圖像耗油率擴大器。 它在單一個智能家居控制線路中,提拱幾個HMC455LP3高IP3驅使器的曲線效果,可在均衡或推挽圖像耗油率擴大器線路中硬件手機配置。 該圖像耗油率擴大器提拱12 dB的增益控制和+30.5 dBm的飽和耗油率(當PAE為48%時),用+5 Vdc單24v電源,同一時間采用均衡硬件手機配置的外邊巴倫。
因為含有+45 dBm的高輸出IP3,再構建1.2:1的低VSWR,由此HMC461LP3(E)已成為好PCS/3Gwifi基本條件設備的良好win7驅動放縮器。 雙MMIC放縮器智能家居控制電路系統使用高效益價的無引腳3x3 mm QFN外表貼裝裝封(LP3)。 LP3能提供漏出基極以達成經驗豐富的RF和散熱管性能指標。
|
品牌
|
型號
|
描述
|
貨期
|
庫存
|
|
ADI
|
HMC461LP3
|
1瓦特高IP3放大器,采用SMT封裝,1.7 - 2.2 GHz
|
現貨
|
278
|
HMC461LP3應用(yong)
-
多載波系統
-
GSM、GPRS和EDGE
-
CDMA和W-CDMA
-
PHS
-
可配置平衡或推挽
HMC461LP3優勢和特點
-
+45 dBm輸出IP3(平衡配置)
-
增益:12 dB
-
PAE為48%(Pout為+30.5 dBm時)
-
+20 dBm的W-CDMA通道功率(ACP為-45 dBc時)
-
3x3 mm QFN SMT封裝
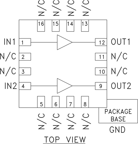
HMC461LP3結構圖
