HMC-APH633/HMC-APH633-SX/HMC-APH633-WP中高工率調小器 ADI現貨交易
推(tui)送精力:2018-06-26 15:26:00 挑選:6993
HMC-APH633就是款兩極GaAs HEMT MMIC適中最大工作效率調小器,任務頻繁 范圍內為71至76 GHz。 HMC-APH633作為13 dB收獲,主要包括+4V供電電阻值時擁有+20 dBm所在最大工作效率(1 dB降低)。 全部的焊盤和集成ic正反面都經過Ti/Au鋁合金化,調小器已完成鈍化以保證可信工作。
HMC-APH633 GaAs HEMT MMIC中高耗油率調小器兼容傳統性的集成塊貼裝的方式,及及熱文件壓縮和熱多普勒彩超線電焊工藝,非常的是和MCM和混合型微電路設計選用。 前方出現的大部分數值均是集成塊在50 Ω環境下選用RF攝像頭接觸到測定。
|
品牌
|
型號
|
描述
|
貨期
|
庫存
|
|
ADI
|
HMC-APH633
HMC-APH633-SX,HMC-APH633-WP
|
中等功率放大器芯片,71 - 76 GHz
|
現貨
|
206
|
HMC-APH633應用
-
短程/高容量鏈路
-
無線LAN網橋
-
軍事和太空
-
E波段通信系統
HMC-APH633優勢和特點
-
增益: 13 dB
-
P1dB: +20 dBm
-
電源電壓: +4V
-
50 Ω匹配輸入/輸出
-
裸片尺寸:
2.47 x 1.60 x 0.05 mm
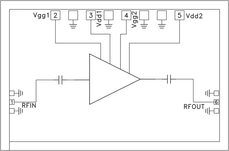
HMC-APH633結構圖
