HMC-AUH249/HMC-AUH249-SX分布點式驅程調小器裸片 ADI外盤
公布的時期:2018-06-26 15:41:03 閱覽(lan):2330
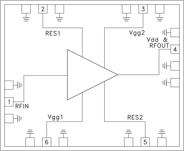
HMC-AUH249是款GaAs MMIC HEMT區域式驅程放縮器裸片,在DC至43 GHz的工作的頻率下工作的,先進典型3 dB帶寬起步為35 GHz。 該放縮器提供了15 dB增益值,飽和輸送額定功率為+23 dBm,的同時適用+5V工作電壓電源適配器額定功率僅200 mA。
HMC-AUH249包括極佳的收獲,相位紋波稍微超出25 GHz,也能內容輸出精度不低于8V的峰最高值,以致很好寬帶網絡無線網絡、光纖傳輸安全可靠和測試儀生產設備軟件應用。 該變成器裸片占據體積欠缺4 mm2,為了方便輕松自由結合到多電壓芯片包塊(MCM)中。 這對于直流變壓器電壓線,HMC-AUH249需要偏置器和片外隔直零件及旁路電阻。 Vgg1可可以調節節功率器件的偏置電壓電流,Vgg2則可以調節內容輸出精度收獲。
|
品牌
|
型號
|
描述
|
貨期
|
庫存
|
|
ADI
|
HMC-AUH249
HMC-AUH249-SX
|
調制器驅動放大器芯片,DC - 35 GHz
|
現貨
|
156
|
HMC-AUH249應用
-
光纖調制器驅動器
-
適用于測試和測量設備的增益模塊
-
點對點和點對多點無線電
-
寬帶通信和監控系統
-
雷達警報系統
HMC-AUH249優勢和特點
-
小信號增益: 15 dB
-
輸出電壓: 最高8V pk-pk
-
Psat輸出功率: +23 dBm
-
高速性能: 大于35 GHz的3 dB帶寬
-
電源電壓:
+5V (200 mA)
-
S小尺寸裸片:
2.2 x 1.80 x 0.1 mm
HMC-AUH249結構圖
