業新聞資訊
披露用時:2019-11-12 11:47:19 閱(yue)覽:2072
AM009023WM-EM-R工作電壓擴大器是AMCOM司的過寬帶砷化鎵MMIC,該變成器兼具25分貝的高收獲,從50MHz到9GHz頻段的23dBm打印輸出耗油率,噪聲系數為4.5分貝(bei)至4赫茲,但會與50歐姆匹配(pei)的輸入/輸出

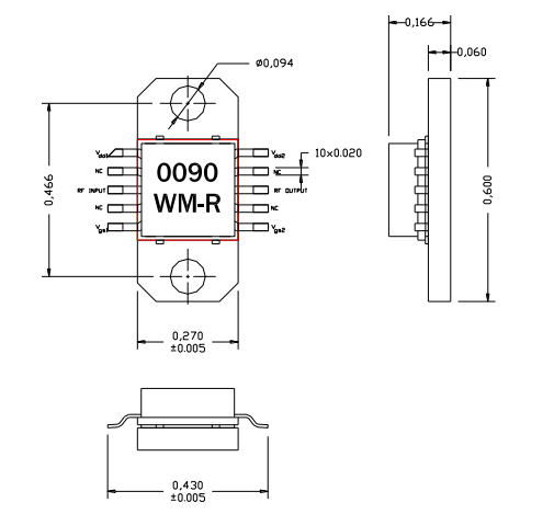
AM009023WM-EM-R工作功率(lv)增(zeng)加(jia)器的裝封(feng)底(di)下有帶微波射頻(pin)和直流電(dian)壓引線,于(yu)將低(di)生產成(cheng)本SMT組裝流水(shui)線到PC上。AM009023WM-EM-R具(ju)備直引線(xian)和銅/鎢活(huo)(huo)套(tao)蝶閥(fa)法蘭充(chong)當銅活(huo)(huo)套(tao)蝶閥(fa)法蘭,蝶(die)閥法(fa)蘭處有這(zhe)兩個螺孔,是為了擰上(shang)彩石蒸(zheng)發器(qi)器(qi)。適用RoHS,app領(ling)域區別是app手機(ji)無線電、汽(qi)車儀表盤(pan)、增益(yi)控制塊、低燥聲適用等
AM009023WM-EM-R極為重要參數表
概率:0.05-9GHz
收獲:21
P1dB(DBM):21
PSAT(DBM):23
的效(xiao)率(lv):20
VD(V):12
佛山市(shi)立維創展科學技術是AMCOM總部總加盟代理,其注意微波通信寬帶網成品涉及到頻射納(na)米線管、MMIC工(gong)率變(bian)小器(qi)、攪拌變(bian)小器(qi)功(gong)能組(zu)件、寬帶網絡變(bian)小器(qi)、高(gao)工(gong)率變(bian)小器(qi)功(gong)能組(zu)件、帶RF和DC進行電源(yuan)連接(jie)器(qi)的高(gao)馬力增(zeng)加器(qi)引擎和低嗓(sang)聲增(zeng)加器(qi),馬力增(zeng)加器(qi),旋鈕,衰減器(qi),移相器(qi)或(huo)者上(shang)/接(jie)下來交(jiao)流變(bian)頻器(qi)這(zhe)一物件的私人訂制。