HMC1063LP3E/HMC1063LP3ETR密集型I/Q MMIC混頻器 ADI外盤
頒布(bu)時間段:2018-07-02 14:41:15 訪問 :1899
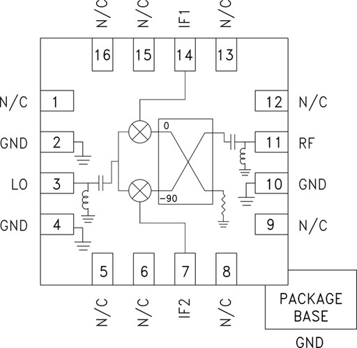
HMC1063LP3E也是款省油的suv型I/Q MMIC混頻器,利用“無鉛”SMT芯片封裝,都還可以作映射緩和混頻器或單向帶入定頻器。 該混頻器利用幾個的標準Hittite雙動平衡混頻器模塊和一款 九十度融合式著元器,均利用GaAs Schottky肖特基二極管的工藝生產。 脈沖電流正交融合式著元器運用存在1,000 MHz LSB IF轉換。 該的產品為融合式著型映射緩和混頻器和單向帶入定頻器配件的小改用元器。 HMC1063LP3E需線焊,還可以運用表貼生產技巧。
|
品牌
|
型號
|
描述
|
貨期
|
庫存
|
|
ADI
|
HMC1063LP3E
HMC1063LP3ET
|
GaAs MMIC I/Q混頻器,24 - 28 GHz
|
現貨
|
259
|
HMC1063LP3E應用
-
點對點和點對多點無線電
-
軍用雷達、EW和ELINT
-
衛星通信
-
傳感器
HMC1063LP3E優勢和特點
-
低LO功率: 10 dBm
-
寬IF帶寬: DC - 3 GHz
-
鏡像抑制: 21 dBc
-
LO/RF隔離: 40 dB
-
高輸入IP3: 17 dBm
-
16引腳3x3 mm SMT封裝: 9 mm2
HMC1063LP3E結構圖
