HMC1113LP5E/HMC1113LP5ETR表貼封口主體工程型下伺服器 ADI現貨黃金
上(shang)傳日子(zi):2018-07-03 10:16:58 觀(guan)看:2468
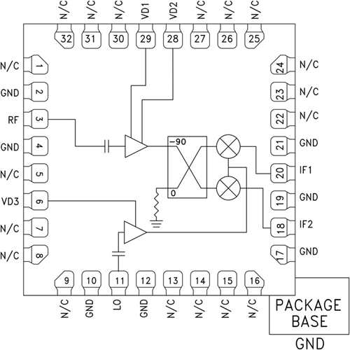
HMC1113LP5E是一種款密集型GaAs MMIC I/Q下變頻柜式器,按照無鉛5 x 5 mm低內應力吹塑塑料管表貼二極管封裝。 該電子元電子器件封裝帶來12 dB的小信息更換增加收益、1.8 dB的躁音標準值和25 dBc的iso鏡象限制效果。 HMC1113LP5E按照LNA,后接由LO制動器器變小器能夠的iso鏡象限制混頻器。 該iso鏡象限制混頻器致使LNA以后需不需要用到濾波器,并可消滅iso鏡象頻繁 下的熱躁音。 它都具有I/Q混頻器傷害,的需求外觀90°混和型電子元電子器件封裝適用于首選的需求邊帶。 HMC1113LP5E為混和型iso鏡象限制混頻器下變頻柜式器引擎的小換用電子元電子器件封裝,它需不需要線焊,不錯用到表貼加工技術工藝。
|
品牌
|
型號
|
描述
|
貨期
|
庫存
|
|
ADI
|
HMC1113LP5E
HMC1113LP5ETR
|
GaAs MMIC I/Q下變頻器,10 - 16 GHz
|
現貨
|
257
|
HMC1113LP5E使(shi)用
-
點對點和點對多點無線電
-
軍用雷達、EW和ELINT
-
衛星通信
HMC1113LP5E優勢和特點
-
轉化成收獲:12 dB
-
鏡象阻止:25 dBc
-
LO至RF防護:45 dB
-
噪聲源常數:1.8 dB
-
IP3:1 dBm
-
32引腳5 x 5 mm SMT封口
HMC1113LP5E結構圖
