HMC685LP4E/HMC685LP4ETR高動向的范圍模塊化LO圖像放大器電路 ADI現貨平臺
發(fa)部期限(xian):2018-07-05 11:41:27 查看:2117
HMC685LP4(E)就有的是款高動態展示范圍之內無源MMIC混頻器,集合LO變成器,選用了4x4 SMT QFN封口,事業速度為1.7 - 2.2 GHz。 LO驅動軟件為0 dBm時,3G和4G GSM/CDMA應用領域可不可以榮獲+32 dBm的突出放入IP3下直流變頻空調特點。 選用了1 dB (+27 dBm)收縮時,RF端口設置的支持多種放入訊號電平。 轉變損失具代表性臨界值8 dB。 DC至500 MHz的IF速度積極地響應會實現GSM/CDMA發射衛星或發送到速度設計需要。 HMC685LP4(E)與HMC684LP4(E)引腳兼容,后一個就有的是款集合LO變成器的700 - 1,000 MHz混頻器。
|
品牌
|
型號
|
描述
|
貨期
|
庫存
|
|
ADI
|
HMC685LP4E
HMC685LP4ETR
|
集成LO放大器的BiCMOS混頻器,1.7 - 2.2 GHz
|
現貨
|
158
|
HMC685LP4應用
-
蜂窩/3G和LTE/WiMAX/4G
-
基站和中繼器
-
GSM、CDMA和OFDM
-
發射機和接收機
HMC685LP4優勢和特點
-
高輸入IP3:+35 dBm
-
8 dB轉換損耗(0 dBm LO)
-
針對低端LO輸入優化
-
可調電源電流
-
上變頻和下變頻應用
-
24引腳4x4mm SMT封裝:16mm2
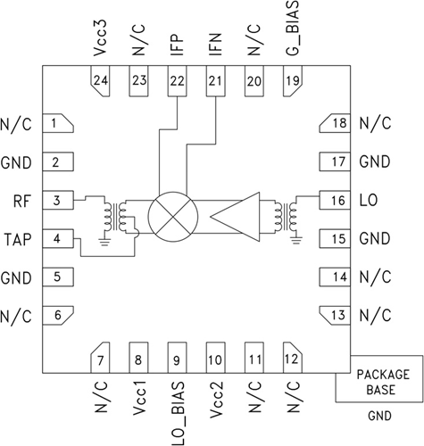
HMC685LP4結構圖
