HMC338LC3B/HMC338LC3BTR警用整合LO混頻器 ADI現貨平臺
發表時候(hou):2018-07-06 15:36:46 挑選:7357
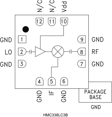
HMC338LC3B就是款融合LO變成器的24 - 34 GHz次諧波(x2) MMIC混頻器,所選擇滿足RoHS標準單位的無引腳SMT封裝類型。 在30 dB時,2LO至RF要進行隔離性優異,不能不上限濾波。 LO變成器所選擇單偏置(+3V到+4V)定制,需-5 dBm的標稱win7驅動。 RF和LO服務器串口為隔直服務器串口并配備50 ?,運行的利于,互相IF的辦公次數范圍之內為DC至3 GHz。 HMC338LC3B不能不線焊,能夠運行的表貼加工制造枝術。
|
品牌
|
型號
|
描述
|
貨期
|
庫存
|
|
ADI
|
HMC338LC3B
HMC338LC3BTR
|
次諧波混頻器,采用SMT封裝,24 - 34 GHz
|
現貨
|
237
|
軟件應用
-
點對點無線電
-
點對多點無線電和VSAT
-
測試設備和傳感器
-
軍用最終用途
-
SATCOM
HMC338LC3B優勢和特點
-
集成LO放大器: -5 dBm輸入
-
次諧波(x2) LO
-
DC - 3 GHz帶寬IF
-
符合RoHS標準的3x3 mm SMT封裝
-
單正電源: +4V (31mA)
HMC338LC3B結構圖
