HMC611LP4/HMC611LP4E工作功率監管多數檢波器 ADI代理加盟現貨黃金
公布的準(zhun)確時間(jian):2018-07-09 13:57:07 預覽:7290
HMC611LP4(E)常用多數檢波器/抑制器將導入終端的RF預警變為為導出端相等的DC電流。HMC611LP4(E)使用聯續縮減拓補結構類型,供給寬導入概率依據內的很好新動態依據和變為gps精度。發生變化導入輸出功率增強,聯續調大器漸漸的進人飽合,為了制成正確的常用多數涵數相似于值。
若您有所有質疑,請認識自己立維創展,自己會盡最大程度拼搏為您業務。
成體系的mm2律檢波器工作輸出的求和、切替換成電流值域并緩解驅程LOGOUT工作輸出的。在檢查測量模型下,LOGOUT引腳發生故障到VSET投入并具備-25mV/dB的標稱常用對數斜率和18 dBm的截距(22 dBm,? ≥ 5.8 GHz)。HMC611LP4(E)也可在把控好器模型下實用,向VSET引腳產生對外部電流值以添加AGC或APC反饋建議環路。
|
品牌
|
型號
|
描述
|
貨期
|
庫存
|
|
ADI
|
HMC611LP4
HMC611LP4E
|
對數檢波器控制器,采用SMT封裝,0.001 - 10.0 GHz
|
現貨
|
151
|
HMC611LP4應用
-
蜂窩/PCS/3G
-
WiMAX、WiBro、WLAN、
固定無線和雷達
-
功率監控和控制電路
-
接收機信號強度指示(RSSI)
-
自動增益和功率控制
HMC611LP4優勢和特點
-
寬動態范圍:高達63 dB
-
高精度:±1 dB
54 dB范圍高達8 GHz
-
電源電壓:+5V
-
出色的溫度穩定性
-
緩沖溫度傳感器輸出
-
緊湊型4x4mm無引腳SMT封裝
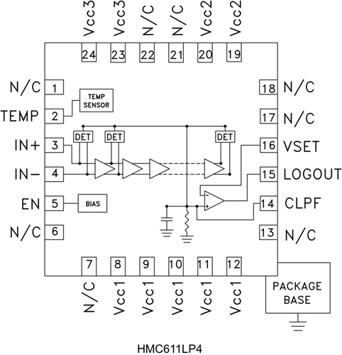
HMC611LP4結構圖
