HMC547ALC3/HMC547ALC3TR通用的型移動寬帶高要進行隔離SPDT按鈕開關 ADI期貨
推(tui)送時刻:2018-07-10 13:58:18 訪問 :7436
HMC547ALC3就是一款通用版型帶寬網絡高隔開非射線GaAs MESFET SPDT設定按鈕,使用3x3 mm無引腳淘瓷表貼裝封。該設定按鈕頻帶寬度區間為DC至28.0 GHz,在中頻段時體現了不低于40 dB的隔開度和低于2 dB的插入表格不足。帶寬網絡寬、高速 設定按鈕和主體工程型尺寸使獲取式SPDT滿足軍用裝備EW/ECM和測試儀裝置應運。該設定按鈕使用-5/0V的同質負設定的電壓道理的線路工作上,無須偏置供電。若您有一切疑慮,請鏈接讓我們的立維創展,讓我們的會盡上限勤奮大駕光臨保障。
|
品牌
|
型號
|
描述
|
貨期
|
庫存
|
|
ADI
|
HMC547ALC3
HMC547ALC3TR
|
GaAs MMIC SPDT非反射式開關,DC - 28.0 GHz
|
現貨
|
233
|
HMC547ALC3應用軟件
-
光纖和寬帶通信
-
微波無線電和VSAT
-
軍用無線電、雷達和ECM
-
測試儀器儀表
HMC547ALC3優勢和特點
-
高隔離度:
45 dB (10 GHz)
39 dB (20 GHz)
-
低插入損耗:
1.9 dB (10 GHz)
2.2 dB (20 GHz)
-
快速開關:6 ns
-
非反射設計
-
16引腳3x3 mm SMT陶瓷封裝:9mm2
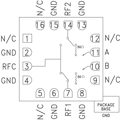
HMC547ALC3結構圖
