HMC322ALP4E/HMC322ALP4ETR光纖寬帶非散射SP8T觸點開關 ADI期貨
上線時間間隔:2018-07-10 15:03:37 瀏(liu)覽網頁:1994
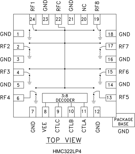
HMC322ALP4E不是款光纖寬帶非全反射GaAs MESFET SP8T面板面板按鈕按鈕,所用到低費用無引腳表貼封裝形式。 該面板面板按鈕按鈕率空間為DC至8 GHz,有高消毒和低復制損耗率。 該面板面板按鈕按鈕還集成片內二進制解密電源電路,將所必需邏緝把握線減至四條線。 該面板面板按鈕按鈕所用到0/-5V負把握直流電壓的工作,所必需比較固定偏置為-5V。 該面板面板按鈕按鈕適合于50歐姆或75歐姆系統化。若您有絲毫異議,請關聯你們立維創展,你們會盡最大的積極為您提供服務管理。
|
品牌
|
型號
|
描述
|
貨期
|
庫存
|
|
ADI
|
HMC322ALP4E
HMC322ALP4ETR
|
GaAs MMIC SP8T非反射式開關,DC - 8 GHz
|
現貨
|
186
|
HMC322ALP4E用
該電開關不適主要適用于DC - 8.0 GHz 50歐姆或75歐姆系統的:
-
寬帶
-
光纖產品
-
開關濾波器組
-
低于8 GHz的無線應用
HMC322ALP4E優勢和特點
-
寬帶性能: DC - 8.0 GHz
-
高隔離度: >30 dB@ 6 GHz
-
低插入損耗: 2.4 dB@ 6 GHz
-
集成式3:8 TTL解碼器
-
24引腳4x4mm QFN封裝: 9 mm2
HMC322ALP4E結構圖
