行業領域知識
發布新聞時(shi)間:2018-07-11 15:05:17 查看(kan):2035
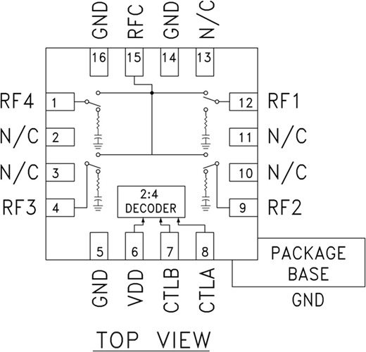
HMC345ALP3E是一款寬帶非反射GaAs MESFET SP4T開關,采用低成本無引腳表貼封裝。該開關頻率范圍為DC至8 GHz,具有高隔離和低插入損耗。立維創展該開關(guan)還集成(cheng)了(le)板載二進(jin)制解(jie)碼電路,將所需邏輯(ji)控制線減(jian)至(zhi)兩條。該開關(guan)采用0/+5V正控制電壓工作,所需固定偏置為+5V。
*端口RFC和RF1、2、3和4需配有隔直電容。它們的值決定最低傳輸頻率。
若您有一點凝問,請搞好關系小編大家立維創展,小編大家會盡較大奮發努力為您業務。
品牌
型號
描述
貨期
庫存
ADI
HMC345ALP3E
HMC345ALP3ETR
GaAs MMIC SP4T非反射式正控制開關,DC* - 8 GHz
現貨
112
HMC345ALP3E應用
該旋轉開關適于于DC - 8.0 GHz 50 Ω或75 Ω機系統:
HMC345ALP3E優勢和特點
HMC345ALP3E結構圖
