領域新聞
推出時間:2018-06-06 10:29:37 觀看(kan):2628
HMC907APM5E不(bu)是款GaAs MMIC pHEMT地理分布式(shi)應用軟件(jian)公率變小器(qi)(qi),工作(zuo)上頻次(ci)使用范圍(wei)內為(wei)0.2 GHz至(zhi)(zhi)22 GHz。該自偏置公率變小器(qi)(qi)提拱(gong)14 dB增益控(kong)制(zhi)(zhi)值(zhi)(zhi)控(kong)制(zhi)(zhi)、+40 dBm傳輸(shu)IP3和+28 dBm傳輸(shu)公率(1 dB增益控(kong)制(zhi)(zhi)值(zhi)(zhi)控(kong)制(zhi)(zhi)收縮),功率僅350 mA(進(jin)行+10 V電壓)。HMC907APM5E在(zai)0.2 GHz至(zhi)(zhi)22 GHz使用范圍(wei)內內提拱(gong)±0.7 dB的表(biao)現出(chu)色增益控(kong)制(zhi)(zhi)值(zhi)(zhi)控(kong)制(zhi)(zhi)寬闊度(du),以至(zhi)(zhi)相(xiang)對適合(he)EW、ECM、預警(jing)雷達和檢測生產(chan)設備應用軟件(jian)。HMC907APM5E變小器(qi)(qi)I/O內層符(fu)合(he)至(zhi)(zhi)50 Ω,以便于智能家(jia)居控(kong)制(zhi)(zhi)到多(duo)IC芯片傳感器(qi)(qi)(MCM)中,進(jin)行無引腳QFN 5x5 mm表(biao)貼封裝形式(shi),需 外(wai)部符(fu)合(he)構(gou)件(jian)。
品牌
型號
描述
貨期
庫存
ADI
HMC907APM5E
HMC907APM5ETR
GaAs pHEMT MMIC功率放大器0.2 - 22 GHz
現貨
69
HMC907APM5E應(ying)用
HMC907APM5E優勢和特點
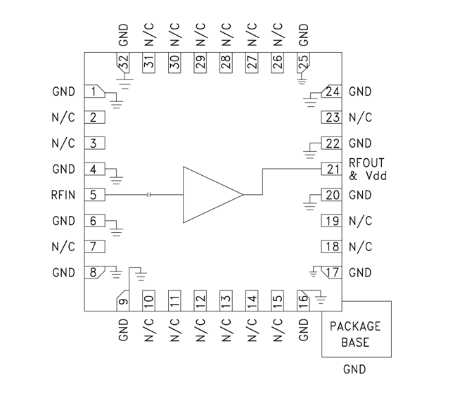
HMC907APM5E結構圖
