行業內新聞咨詢
發布消(xiao)息時:2023-05-06 17:04:19 手機瀏覽:1440
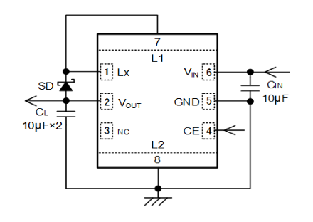
TOREX電源模塊XCL301系列是種內嵌P端面驅動晶體管的負電壓輸出micro DC/DC轉換(huan)器(qi)。通過調節IC與線圈一體(ti)(ti)化,能(neng)夠(gou)實現微型化,僅(jin)需(xu)在外部(bu)增加肖(xiao)特(te)基(ji)二極管與電(dian)容器(qi),就能(neng)夠(gou)搭建(jian)不占用空(kong)間的(de)電(dian)源。XCL301系列轉換(huan)器(qi)額定(ding)電(dian)壓為2.7V~5.5V。輸出電(dian)壓已設(she)置成-3.3V(精密度±2.0%)。
XCL301產品換算器進行方法為PFM/不穩關(guan)機(ji)重啟精力(li)PWM自(zi)主修(xiu)正調(diao)節(jie),確認在小額定負載(zai)(輕(qing)載(zai))時(shi)將投資(zi)項(xiang)目從安全(quan)穩定關(guan)閉時(shi)光PWM遠程控制(zhi)移轉至PFM調(diao)節(jie),在小電(dian)機(ji)根(gen)(gen)據(ju)(輕(qing)載(zai))至大電(dian)機(ji)根(gen)(gen)據(ju)(載(zai)重車)的(de)建筑體電(dian)機(ji)根(gen)(gen)據(ju)範(fan)圍將控制(zhi)脫貧攻堅,最適合遵循小電(dian)機(ji)根(gen)(gen)據(ju)(輕(qing)載(zai))下的(de)高(gao)效能率的(de)機(ji)和只在乎充(chong)電(dian)自(zi)然損耗的(de)機(ji)。
XCL301系列產品改(gai)變器使(shi)用(yong)在待機時中斷綜合(he)交流電源集成運放,將靜態數據耗率功(gong)率局(ju)限性在0.1μA(TYP.)下面(mian)的。因嵌入(電壓)錄入欠壓鎖閉(Under Voltage Lock Out)性能方(fang)面(mian),當錄入(ru)線(xian)電壓(ya)低于欠壓(ya)鎖(suo)閉電往常(chang),會強行隱退內部組織(zhi)P激光切割端面(mian)動力氯化鈉晶體(ti)管。除此不僅如此,UVLO查驗電流值為2.2V(TYP.)。
XCL301產品系列(lie)變換器因內置CL擊(ji)穿特(te)點,順利(li)通過在(zai)待機時,來VOUT-VIN間的內部組織(zhi)按鈕開(kai)關,將主要采(cai)用內電(dian)容釋(shi)放出(chu)來CL的正電(dian)荷。完成(cheng)這種釋(shi)放電(dian)能(neng)機械性(xing)能(neng),就能(neng)夠將的輸出(chu)線(xian)電(dian)壓更快還(huan)原到GND電(dian)平(ping)。

作(zuo)用
投入(ru)額定電(dian)壓:2.7V~5.5V
輸(shu)出精度電阻(zu)值:-3.3V
模擬輸出電阻高精(jing)準度:±2.0%
很大(da)所在直流電壓:-50mA@VOUT=-3.3V, VIN=3.3V (TYP)
內(nei)部(bu)自(zi)帶驅動包器:1.3Ω (Pch安裝軟啟動)
需要量(liang)電(dian)流(liu)量(liang):40μA (TYP.)
有效控制原則(ze):PFM / 固定(ding)位(wei)置重(zhong)啟周期PWM 重(zhong)新開啟調節
很快短路電(dian)流(liu)瞬態死(si)機:-50mV(VIN=3.3V,VOUT=-3.3V,IOUT=1mA→50mA)
PFM旋鈕電壓電流:550mA
實用功能:
過(guo)流呵(he)護基本功能(neng)
軟初始化(hua)直流電受到(dao)限制能力
CL自動擊穿(chuan)性能
UVLO
衛浴陶瓷電阻
上班(ban)溫(wen)濕度面積:-40℃~+85℃
認知(zhi)生(sheng)態環(huan)保的要求:與EU RoHS規格(ge)為(wei)使用、無鉛
TOREX半(ban)導首要提供了(le)COMS、調節器(qi)器(qi)、電感等元(yuan)配件,設備以小體型、性能指標(biao)優秀(xiu)而知(zhi)名。
東(dong)莞市立維創展科技開發不足平臺,優勢(shi)與劣勢(shi)分銷商城TOREX供電器材,廣(guang)泛現貨黃金存貨,歡迎(ying)辭(ci)合作項目。
情況熟悉TOREX請點://m.takasago.net.cn/brand/62.html