餐飲行業新聞新聞
推(tui)送準確時間:2023-07-18 16:52:09 瀏覽器:1476
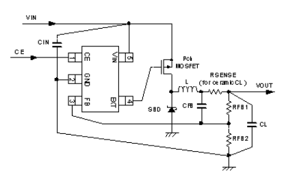
TOREX把控器XC9220款型是多技能減壓DC/DC把握器IC。給XC9220系列表設定器外界配用種按鈕開關元器件,種瓦數電感,種中級管和2個電阻能夠有種提高利用率率,對維持的,輸送直流電壓高至3A的旋轉開關電源電路。XC9220系掌控器能應用低ESR濾波電容(電容器)器假如陶瓷廠家濾波電容(電容器)器充當它的讀取濾波電容(電容器)器。
XC9220系(xi)(xi)統把握器多了(le)一個0.9V(±1.5%)基準(zhun)線工作(zuo)電(dian)(dian)壓(ya)降,應用外(wai)置分壓(ya)電(dian)(dian)式阻就(jiu)需要自由選擇設(she)置轉(zhuan)換工作(zuo)電(dian)(dian)壓(ya)降。規律(lv)范(fan)圍圖為(wei)300kHz,500kHz和1MHz,能使用的(de)里的(de)型外(wai)觀元元件。這(zhe)對于(yu)軟(ruan)加載時(shi)段,XC9220A和C型號是(shi)實物(wu)設(she)施為(wei)4ms,XC9220B和D系(xi)(xi)列表才能在外(wai)接設(she)制。XC9220系(xi)(xi)列作(zuo)品(pin)的(de)控制開關享有自帶UVLO(欠壓(ya)鎖閉)效果,當顯示電(dian)(dian)壓(ya)電(dian)(dian)流(liu)調至2.3V或較低(di)的(de)情況(kuang)下下,冗余P銑面旋鈕集成電(dian)(dian)路芯片(pian)會被強行性開起。

共同點
的工作電(dian)流(liu)值領域:2.8V~16.0V
打出直流電壓外部結(jie)構設備:0.9V(精體積±1.5V)
幀率使用(yong)范(fan)圍:300k,500k,1.0MHz
控制習慣:PWM的控制
帶軟起動的耐腐蝕性:內(nei)部(bu)(bu)結構快速設置4ms(TypeA500kHz),外部(bu)(bu)鏈接配置(TypeB)
守(shou)護線路:信(xin)用卡積分守(shou)護1.0ms(A,B業(ye)務類型),虛(xu)接保(bao)養
低ESR電(dian)阻:瓷器電(dian)阻
TOREX半(ban)導體材料(liao)首要能提供COMS、感應器器、電(dian)感等元元件,車輛以小體積大概、性優秀而(er)最有名的。
上海(hai)市(shi)立(li)維創展技術(shu)有限的公司,優越性分銷(xiao)管理TOREX24v電源元器件,許多外盤交(jiao)易量,的歡迎聯合。
情況詢問TOREX請彈框://m.takasago.net.cn/brand/62.html
技(ji)術參數 | Type | Output Voltage | Oscillation Frequency | Packages |
XC9220A093ER-G | Soft-start internally set with integral protection function | FB type | 300kHz | USP-6C |
XC9220A093MR-G | Soft-start internally set with integral protection function | FB type | 300kHz | SOT-25 |
XC9220A095ER-G | Soft-start internally set with integral protection function | FB type | 500kHz | USP-6C |
XC9220A095MR-G | Soft-start internally set with integral protection function | FB type | 500kHz | SOT-25 |
XC9220A09AER-G | Soft-start internally set with integral protection function | FB type | 1.0MHz | USP-6C |
XC9220A09AMR-G | Soft-start internally set with integral protection function | FB type | 1.0MHz | SOT-25 |
XC9220B093ER-G | Soft-start externally set with integral protection function | FB type | 300kHz | USP-6C |
XC9220B093MR-G | Soft-start externally set with integral protection function | FB type | 300kHz | SOT-25 |
XC9220B095ER-G | Soft-start externally set with integral protection function | FB type | 500kHz | USP-6C |
XC9220B095MR-G | Soft-start externally set with integral protection function | FB type | 500kHz | SOT-25 |
XC9220B09AER-G | Soft-start externally set with integral protection function | FB type | 1.0MHz | USP-6C |
XC9220B09AMR-G | Soft-start externally set with integral protection function | FB type | 1.0MHz | SOT-25 |
XC9220C093ER-G | Soft-start internally set without integral protection function | FB type | 300kHz | USP-6C |
XC9220C093MR-G | Soft-start internally set without integral protection function | FB type | 300kHz | SOT-25 |
XC9220C095ER-G | Soft-start internally set without integral protection function | FB type | 500kHz | USP-6C |
XC9220C095MR-G | Soft-start internally set without integral protection function | FB type | 500kHz | SOT-25 |
XC9220C09AER-G | Soft-start internally set without integral protection function | FB type | 1.0MHz | USP-6C |
XC9220C09AMR-G | Soft-start internally set without integral protection function | FB type | 1.0MHz | SOT-25 |
XC9220D093ER-G | Soft-start externally set without integral protection function | FB type | 300kHz | USP-6C |
XC9220D093MR-G | Soft-start externally set without integral protection function | FB type | 300kHz | SOT-25 |
XC9220D095ER-G | Soft-start externally set without integral protection function | FB type | 500kHz | USP-6C |
XC9220D095MR-G | Soft-start externally set without integral protection function | FB type | 500kHz | SOT-25 |
XC9220D09AER-G | Soft-start externally set without integral protection function | FB type | 1.0MHz | USP-6C |
XC9220D09AMR-G | Soft-start externally set without integral protection function | FB type | 1.0MHz | SOT-25 |