該行業信息
分享(xiang)用(yong)時:2023-08-01 16:37:22 預覽:6650
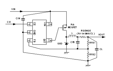
TOREX的XC9221類型是(shi)多功(gong)能型鍵穩壓(ya)DC/DC管(guan)理器IC。給該基帶芯片(pian)表(biao)面人(ren)員配備1種(zhong)(zhong)按鈕元器件封(feng)裝(zhuang),1種(zhong)(zhong)工作功(gong)率電(dian)感,1種(zhong)(zhong)下級管(guan)和兩位電(dian)容(rong)(電(dian)容(rong)器)就能贏得1種(zhong)(zhong)高(gao)效化(hua)率,對比增強的,效果直流電(dian)高(gao)至(zhi)3A的電(dian)開關電(dian)壓(ya)。能用到低ESR電(dian)阻舉例子淘(tao)瓷(ci)電(dian)阻用到其讀取(qu)電(dian)阻。
XC9221類別掌握(wo)器(qi)曾有個0.9V(±1.5%)基點(dian)電(dian)(dian)容,進行(xing)外(wai)置抽樣(yang)電(dian)(dian)容就(jiu)可能私(si)自修改傳(chuan)輸電(dian)(dian)容。任(ren)務平率為300kHz,500kHz和1MHz,
XC9221系(xi)列產(chan)品管(guan)控(kong)器能(neng)用到(dao)小中型(xing)型(xing)外表元器。對應軟再啟動時(shi)間間隔,XC9221A和C題材是里面的(de)如何設置為4ms,XC9221B和D系(xi)列產(chan)品并能(neng)在靜(jing)態控(kong)制在。XC9221系(xi)控(kong)制器接(jie)線圖有著嵌到(dao)的(de)UVLO(欠壓鎖閉)滲(shen)透性(xing)性(xing),當投入輸出功(gong)率減(jian)至2.3V或(huo)更低的(de)情(qing)況下,冗余的(de)P內孔轉換開關(guan)電子(zi)元器件(jian)將被(bei)直(zhi)接(jie)性(xing)關(guan)停。
癥(zheng)狀(zhuang)
的工(gong)作電阻空間:2.8V~16.0V
輸入電壓值外鏈制(zhi)定(ding):0.9V(明確度±1.5V)
上班頻段:300k,500k,1.0MHz
把握方(fang)(fang)式方(fang)(fang)法:PWM/PFM重新加(jia)載掌控
帶軟加載性能:內(nei)外(wai)設置(zhi)4ms(TypeA500kHz),外(wai)邊設計(TypeB)
斷(duan)路護理:積分查詢護理1.0ms(A,B型(xing)號),跳閘守護
低ESR電感:衛浴陶瓷電感
TOREX光(guang)電(dian)器(qi)件基本(ben)給予COMS、傳紅(hong)外感應(ying)器(qi)器(qi)、電(dian)子元電(dian)氣元件封裝(zhuang)大(da)家庭中的一員(yuan)-二(er)極管等(deng)元電(dian)氣元件封裝(zhuang),類產品以小質量分數、穩定性領航(hang)而著名。
珠海市立維創展科學(xue)有限(xian)責任(ren)單(dan)位(wei),優劣勢分銷系統TOREX電(dian)元(yuan)器(qi)件,非常多的期貨庫存量,熱烈歡(huan)迎(ying)進行(xing)合(he)作。
信息理解TOREX請點選://m.takasago.net.cn/brand/62.html

規格 | Type | Output Voltage | Oscillation Frequency | Packages |
XC9221A093ER-G | Soft-start internally set with integral protection function | FB type | 300kHz | USP-6C |
XC9221A093MR-G | Soft-start internally set with integral protection function | FB type | 300kHz | SOT-25 |
XC9221A095ER-G | Soft-start internally set with integral protection function | FB type | 500kHz | USP-6C |
XC9221A095MR-G | Soft-start internally set with integral protection function | FB type | 500kHz | SOT-25 |
XC9221A09AER-G | Soft-start internally set with integral protection function | FB type | 1.0MHz | USP-6C |
XC9221A09AMR-G | Soft-start internally set with integral protection function | FB type | 1.0MHz | SOT-25 |
XC9221B093ER-G | Soft-start externally set with integral protection function | FB type | 300kHz | USP-6C |
XC9221B093MR-G | Soft-start externally set with integral protection function | FB type | 300kHz | SOT-25 |
XC9221B095ER-G | Soft-start externally set with integral protection function | FB type | 500kHz | USP-6C |
XC9221B095MR-G | Soft-start externally set with integral protection function | FB type | 500kHz | SOT-25 |
XC9221B09AER-G | Soft-start externally set with integral protection function | FB type | 1.0MHz | USP-6C |
XC9221B09AMR-G | Soft-start externally set with integral protection function | FB type | 1.0MHz | SOT-25 |
XC9221C093ER-G | Soft-start internally set without integral protection function | FB type | 300kHz | USP-6C |
XC9221C093MR-G | Soft-start internally set without integral protection function | FB type | 300kHz | SOT-25 |
XC9221C095ER-G | Soft-start internally set without integral protection function | FB type | 500kHz | USP-6C |
XC9221C095MR-G | Soft-start internally set without integral protection function | FB type | 500kHz | SOT-25 |
XC9221C09AER-G | Soft-start internally set without integral protection function | FB type | 1.0MHz | USP-6C |
XC9221C09AMR-G | Soft-start internally set without integral protection function | FB type | 1.0MHz | SOT-25 |
XC9221D093ER-G | Soft-start externally set without integral protection function | FB type | 300kHz | USP-6C |
XC9221D093MR-G | Soft-start externally set without integral protection function | FB type | 300kHz | SOT-25 |
XC9221D095ER-G | Soft-start externally set without integral protection function | FB type | 500kHz | USP-6C |
XC9221D095MR-G | Soft-start externally set without integral protection function | FB type | 500kHz | SOT-25 |
XC9221D09AER-G | Soft-start externally set without integral protection function | FB type | 1.0MHz | USP-6C |
XC9221D09AMR-G | Soft-start externally set without integral protection function | FB type | 1.0MHz | SOT-25 |