這個行業報告新聞
發(fa)布(bu)消息準(zhun)確時間:2023-10-25 17:07:43 瀏覽網頁:994
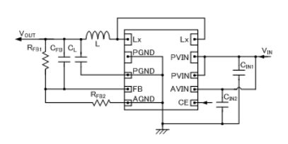
TOREX的XC9242系列產品是會相應的瓷質濾波電容,置于0.11Ω(TYP.)P銑面MOSwin7驅動晶胞管及0.12Ω(TYP.)N一端MOS電開關尖晶石管的減壓同樣整流DC/DC更換器。XC9242款型DC/DC轉變成器縮減鑲入尖晶石管的導通電阻功率,能提高使用率率,穩定可靠的提供數據最高的2.0A的模擬輸出直流電。事業頻段空間在2.7V~6.0V,可以通過政治意識0.8V(±2.0%)的基準面直流電壓源,用外接電阻功率能擅自的從0.9V放置導出電壓電流。
XC9242(PWM把控)是(shi)可以選用1.2MHz和(he)2.4MHz的(de)電開關概率(lv)。軟開始耗時在(zai)1ms(TYP.),建(jian)立盡快享受。極高影響功率(lv)為4.0A(TYP.),能(neng)適合高的(de)電壓的(de)軟件。
XC9242國產DC/DC轉(zhuan)移(yi)器在待(dai)機(ji)時(shi)才能(neng)把不(bu)足功率(lv)抑制在1.0μA一些。在待(dai)機(ji)時(shi),由CL髙速(su)釋放電(dian)(dian)能(neng)的(de)(de)性能(neng)使(shi)LX-VSS之(zhi)間的(de)(de)的(de)(de)結構觸點開關(guan)導(dao)通,完成自己內阻使(shi)CL的(de)(de)正電(dian)(dian)荷電(dian)(dian)池充電(dian)(dian)。這(zhe)能(neng)在待(dai)機(ji)時(shi)應對(dui)前期開關(guan)電(dian)(dian)源的(de)(de)不(bu)對(dui)操作方法。XC9242系例DC/DC轉(zhuan)為器內嵌UVLO(錄入(ru)欠壓開啟閉合Under Voltage Lock Out)耐腐蝕性(xing),在輸(shu)進輸(shu)出(chu)功率大于2.4V(TYP.)時,硬性(xing)地終結(jie)的(de)內部驅動(dong)軟件(jian)結(jie)晶體管工作。

特征描(miao)述(shu)
融入(ru)到驅動(dong)包(bao)器:0.11Ω(TYP.)P-ch推(tui)動(dong)單晶體管.,0.12Ω(TYP.)嵌到N-ch帶動(dong)器
顯示電流值範圍:2.7V~6.0V
模擬輸出線電壓時間(jian)范圍:0.9V~VIN
FB電流電壓:0.8V±2.0%
高轉化(hua)速度(du):95%(TYP.)
輸出電壓工作電流:2.0A
頻點范圍內:1.2MHz±15%,2.4MHz±15%
最(zui)底(di)占空比:100%
耐(nai)磨性(xing):帶軟發動,CL主動電(dian)流(liu),被(bei)限感應電(dian)流(liu)(自動化(hua)復歸(gui)),太燙關斷,UVLO
打(da)出電(dian)解電(dian)阻:衛浴陶瓷電(dian)解電(dian)阻
剎車系(xi)統模(mo)式:PWM固定(ding)的(de)調(diao)節
溫領域(yu):-40℃~+85℃
適(shi)用環保健康(kang)設定:與EURoHS年紀相對應的、無(wu)鉛化
TOREX半導體行業首要(yao)提供了COMS、傳探測(ce)器(qi)(qi)器(qi)(qi)、肖特基二極管(guan)等(deng)元(yuan)元(yuan)器(qi)(qi),服務以小面積、性能參數優質(zhi)而舉世聞名。
北(bei)京(jing)市(shi)市(shi)立維創(chuang)展新材料(liao)技術有限制集團(tuan),長處分銷系統(tong)TOREX電源適配器(qi)元件,多(duo)現貨交(jiao)易庫存(cun)商品,喜歡配合(he)。
詳情頁明白TOREX請彈框://m.takasago.net.cn/brand/62.html
型號(hao) | 選取(qu)額定電壓 | 任務概率 | 封裝 |
XC9242B08CDR-G | 0.8V | 1.2MHz | USP-10B |
XC9242B08DDR-G | 0.8V | 2.4MHz | USP-10B |
上一篇: AC-DC電源模塊_AC-DC轉換器——PICO電源模塊
下一篇: ?DELTA工業電源