相關行業快訊
頒(ban)布時間:2018-08-27 11:37:58 瀏覽(lan)記錄:1892
AMCOM的GaAs MMIC PAs國產食品(pin),近幾天最火(huo)了(le)EM 封裝類型,是(shi)代替過(guo)后(hou)的FM封口的,保守估計明(ming)天到這兩年內(nei)所有 更更換為EM, FM從未(wei)能夠 再(zai)買到。 EM的能力更好的,更有優勢。
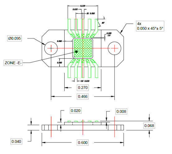
EM封裝形(xing)式的方案(an)圖

注音:
1、所需要的零部件/建筑材料明細:
|
描繪 |
產品 |
|
引線框架圖 |
銅 |
|
環框 |
陽極三氧化二鋁的種類1 每ASTM d2442 |
|
輪緣 |
CuW (75W;25Cu) |
1.1材料和(he)/或生產(chan)全(quan)過程(cheng)的其余(yu)變動應以書(shu)面語表現形式獲得許可。
1.2全部(bu)裝(zhuang)船出口貨物的概述材料書應(ying)存檔下(xia)載不大于三(san)年期(qi)。應(ying)按讓給予(yu)合格證書復印。
2、的要求:
3、2.1鎳板追求(qiu):
2.1.1電鍍(du)件強(qiang)度:100微屏(ping)幕尺(chi)寸(cun)最高(gao)氨基磺酸鎳(nie)在區域性(xing)-E的心(xin)中檢(jian)測的。
2.1.2鎳機的薄厚(hou)數(shu)據分析應儲存(cun)在文件(jian)名稱中,并結合潛在客戶規范供給短信。
2.2金(jin)板(ban)規范:
2.2.1鑲金應貼合MIL-STD-4204,第1類,III型的定義規(gui)范要(yao)求;在(zai)金礦石床中,鉈看做(zuo)發(fa)亮劑或(huo)晶體量化劑的便用是阻(zu)止的。
2.2.2金飽(bao)和度研究認(ren)證(zheng)英(ying)語(yu)證(zheng)書(shu)應由供貨商供給,以(yi)防不高于高于兩(liang)年。應規定客供給認(ren)證(zheng)英(ying)語(yu)證(zheng)書(shu)原件。
2.2.3化學鎳重(zhong)量:較大50厘(li)米,超小檢(jian)測(ce)的區(qu)域(yu)環境E--。
3、抽(chou)樣(yang)檢查/應力測試:
3.1膠水(shui)劑線(xian)接(jie)頭:
3.1.1鍵(jian)合操作(zuo)界(jie)面為90%無裂縫(feng)。
3.2.2在(zai)匯聚物到卡箍(gu)粘合連接管中的(de)(de)隙縫或不(bu)反復性是可聯受的(de)(de),法律(lv)規定打包通暢擁有遺漏一樣性,MI-STD-883做法1014.10C。
3.2比較平整度:
3.2.1區(qu)-E(是交(jiao)叉區(qu)域(yu)環境(jing))為(wei)0.0010平(ping)。
3.3兩端對齊:
3.3.1配位水滑(hua)石對卡(ka)箍的(de)角向的(de)分布(bu),比較大3°。
3.4熱周期(qi)性:
3.4.1鑲金應在空氣當中環境中實現320°C±5°C,快速5分種±30秒(miao)。經歷過熱補救產品包(bao)裝。
3.4.2引線拉力(li):引線在拉90°到環框單面(mian)應立即承(cheng)受壓力(li)世界(jie)最大0.66磅運離標準面(mian)。
3.4.3可(ke)焊性:引(yin)線應按(an)MIL-STD750,辦法2026可(ke)焊(省略除能力范圍(wei)內的飽(bao)和(he)蒸(zheng)汽的老(lao)化(hua))。
3.5隔離防曬泄(xie)露應在活套法(fa)蘭和引線(xian)(xian)互相的200 VDC處為1微(wei)安,并形成引線(xian)(xian)。
3.6引線框(kuang)是不能(neng)覆(fu)蓋到環框(kuang)空腔邊界。















多的淘寶手機端,請連系你們克服!!!