市場資訊、短視頻軟件
發部(bu)精(jing)力:2024-03-12 17:07:30 閱覽:777
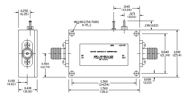
WENTEQ的ALN3400-12-3230是款低燥音、高增加收益的亳米波低燥音放縮器輸出模塊,聲音頻率條件在32.0到36.0GHz。ALN3400-12-3230享有32dB的小警報規范收獲值和3dB的典型案例相位燥音。AW28L3325-FU-4320滿足市場大的的增益控制值平滑度,還有優異的鍵入打出低VSWR。

結構特征:
32.0到36.0GHz的低背景噪聲、高(gao)增加收益利用
低VSWR,無能力(li)不(bu)穩性
身材比例小,利(li)潤(run)成本低
K母(mu)聯接器I/O
需(xu)用同時直流(liu)(liu)電(dian)(dian)開關電(dian)(dian)源,嵌入(ru)電(dian)(dian)流(liu)(liu)電(dian)(dian)壓自動調整器
進行溫(wen)-40~+75°C,存放經濟條(tiao)件(jian)-55~+85°C
杭(hang)州市立維創展社會是(shi)WENTEQ的生(sheng)產商(shang)商(shang),通常展示 WENTEQ類(lei)軟件(jian)屬于橢圓形器(qi)、屏蔽器(qi)、電動機扭(niu)矩最(zui)終(zhong)等,類(lei)軟件(jian)原放進(jin)口商(shang)進(jin)口商(shang),質量管理可(ke)以(yi)保障,價格長處,熱烈歡(huan)迎顧(gu)問。